EasyManua.ls Logo

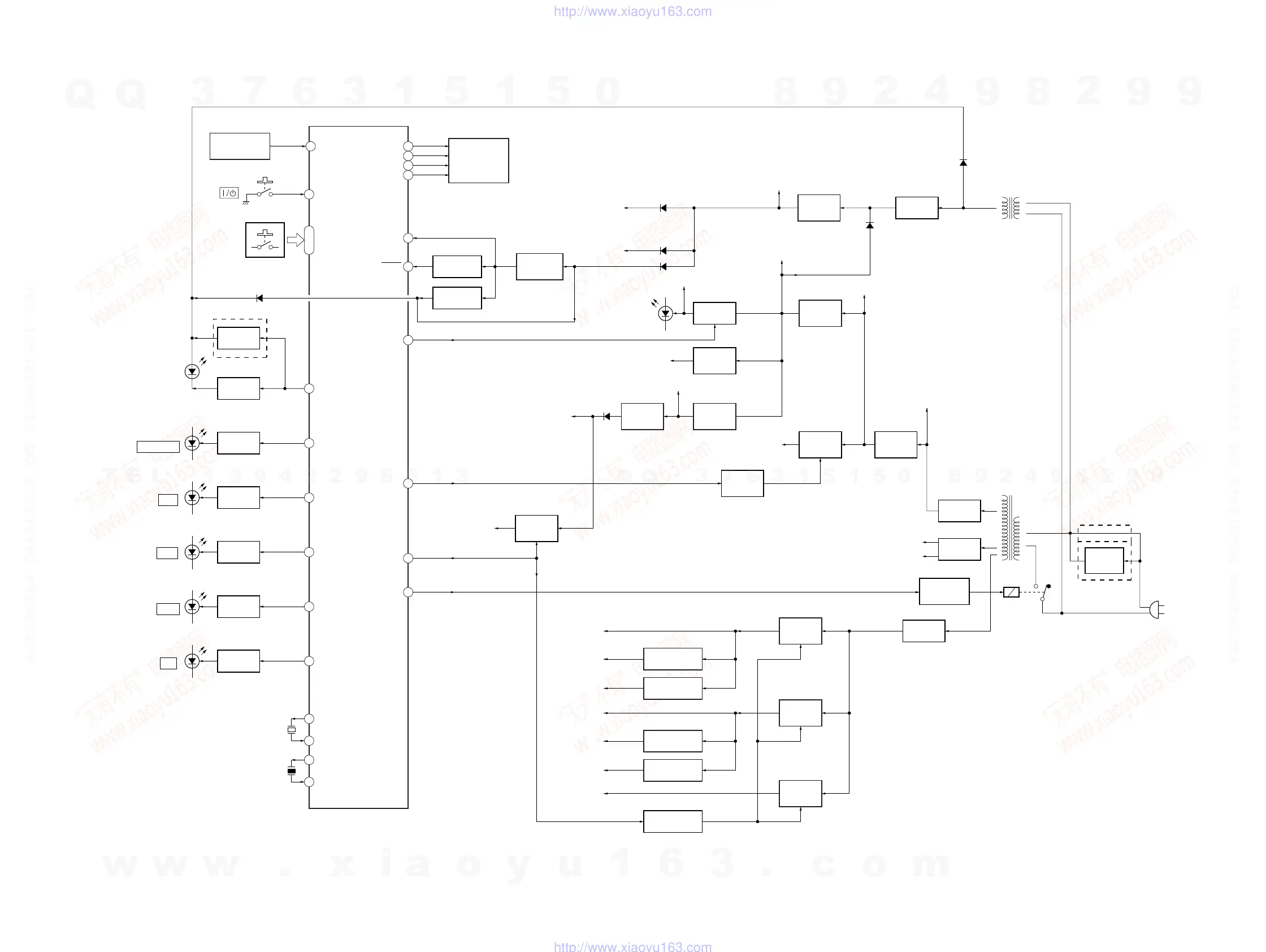
Sony HCD-M90 - Block Diagrams - Key Control;Power Supply Section; System Controller and Power Supply Circuits

Sony HCD-M90
134 pages
Print Icon
To Next Page IconTo Next Page
To Next Page IconTo Next Page
To Previous Page IconTo Previous Page
To Previous Page IconTo Previous Page
Loading...
HCD-M90
3434
36 – 34
KEY1 – KEY3
LIQUID CRYSTAL
DISPLAY
LCD802
SIRCS
4
12RESET
RESET SIGNAL
GENERATOR
IC602
D333
D620
SYSTEM CONTROLLER
D814
(STANDBY)
LED DRIVE
Q809
CD-SYNC
LED
47
STAND-BY LED
42
LED DRIVE
Q807
DSG-LED45
LED DRIVE
Q806
TUNER
D810
TU-LED
49
LED DRIVE
Q805
DVD
D809
CD-LED
96
D/A CONVERTER
B+
B+
SWITCH
Q302
+9.5V
REGULATOR
Q301
82
STBY RLY
RECT
D906 – 909
RELAY DRIVE
Q902
RECT
D902 – 905
+12V
REGULATOR
Q355
+4V
REGULATOR
IC904
TUNER ON
SWITCH
Q303, 304
AMP +16V
AMP – 16V
D921
RECT
D910 – 913
D804 – 806
(LCD BACK LIGHT)
TU +9.5V
COM +8V
COM +12V
40TUNER ON
65SYSPWR
SW +3.3V
U-COM +3.3V
T902
MAIN POWER
TRANSFORMER
T901
SUB POWER
TRANSFORMER
RY901
(Singapore)
(EXCEPT Singapore)
(AC IN)
VOLTAGE
SELECTOR
S901
BACKUP +4V
S801 – 820
10
11
X801
32.768KHz
15
13
X802
16MHz
XCIN
XCOUT
XIN
XOUT
POWER ON/OFF
RELAY DRIVE
Q902
TC +3.3V
+3.3V
REGULATOR
Q309
+8V
REGULATOR
IC304
LCD STB
6
LCD RS
3
LCD DATA
5
LCD SCK
7
20
AC CUT
REMOTE CONTROL
RECEIVER
IC802
D919, 920
D622
RESET SWITCH
Q619
RESET SWITCH
Q618
D604
B+ SWITCH
Q635, 637
LED B+
+14V
+5V
REGULATOR
IC614
D+5V
A+3.3V
SERVO DSP
+3.3V
AV DECODER
+3.3V REGULATOR
IC301
+3.3V REGULATOR
IC502
D+3.3V
+1.8V
SERVO DSP,
AV DECODER
+1.8V
AV DECODER
+1.8V REGULATOR
IC006
M+12V
+1.8V REGULATOR
IC501
+4V
REGULATOR
IC605
COM +5V
COM +3.3V
+5V
REGULATOR
IC902
+3.3V
REGULATOR
IC903
+12V
REGULATOR
IC901
+12V
REGULATOR
IC901
POWER SWITCH
Q904
RECT
D914 – 917
74 POWER KEY
S803
51
BACK LIGHT
LED DRIVE
Q808
TAPE
D812
TC-LED
46
CD SYNCHRO
D813
DSG
D811
D602
IC802 (SUFFIX-11)
IC802 (SUFFIX-12)
IC306 (4/4) (SUFFIX-11)
IC306 (4/4) (SUFFIX-12)
LED DRIVE
Q811
LED DRIVE
Q812, 813
IC602 (SUFFIX-11)
IC602 (SUFFIX-12)
IC605 (SUFFIX-11)
IC605 (SUFFIX-12)
IC614 (SUFFIX-11)
IC614 (SUFFIX-12)
IC304 (SUFFIX-14)
IC304 (SUFFIX-16)
IC904 (SUFFIX-11)
IC904 (SUFFIX-12, -21)
IC301 (SUFFIX-21) IC301 (SUFFIX-22)
IC502 (SUFFIX-21) IC502 (SUFFIX-22)
IC006 (SUFFIX-21) IC006 (SUFFIX-22)
IC501 (SUFFIX-21) IC501 (SUFFIX-22)
IC902 (SUFFIX-11)
IC902 (SUFFIX-12, -21)
IC903 (SUFFIX-11)
IC903 (SUFFIX-12, -21)
IC901 (SUFFIX-11)
IC901 (SUFFIX-12, -21)
(SUFFIX-12)
6-6. BLOCK DIAGRAM – KEY CONTROL/POWER SUPPLY Section –
Ver 1.3
w
w
w
.
x
i
a
o
y
u
1
6
3
.
c
o
m
Q
Q
3
7
6
3
1
5
1
5
0
9
9
2
8
9
4
2
9
8
T
E
L
1
3
9
4
2
2
9
6
5
1
3
9
9
2
8
9
4
2
9
8
0
5
1
5
1
3
6
7
3
Q
Q
TEL 13942296513 QQ 376315150 892498299
TEL 13942296513 QQ 376315150 892498299
http://www.xiaoyu163.com
http://www.xiaoyu163.com

Table of Contents

Related product manuals