EasyManua.ls Logo

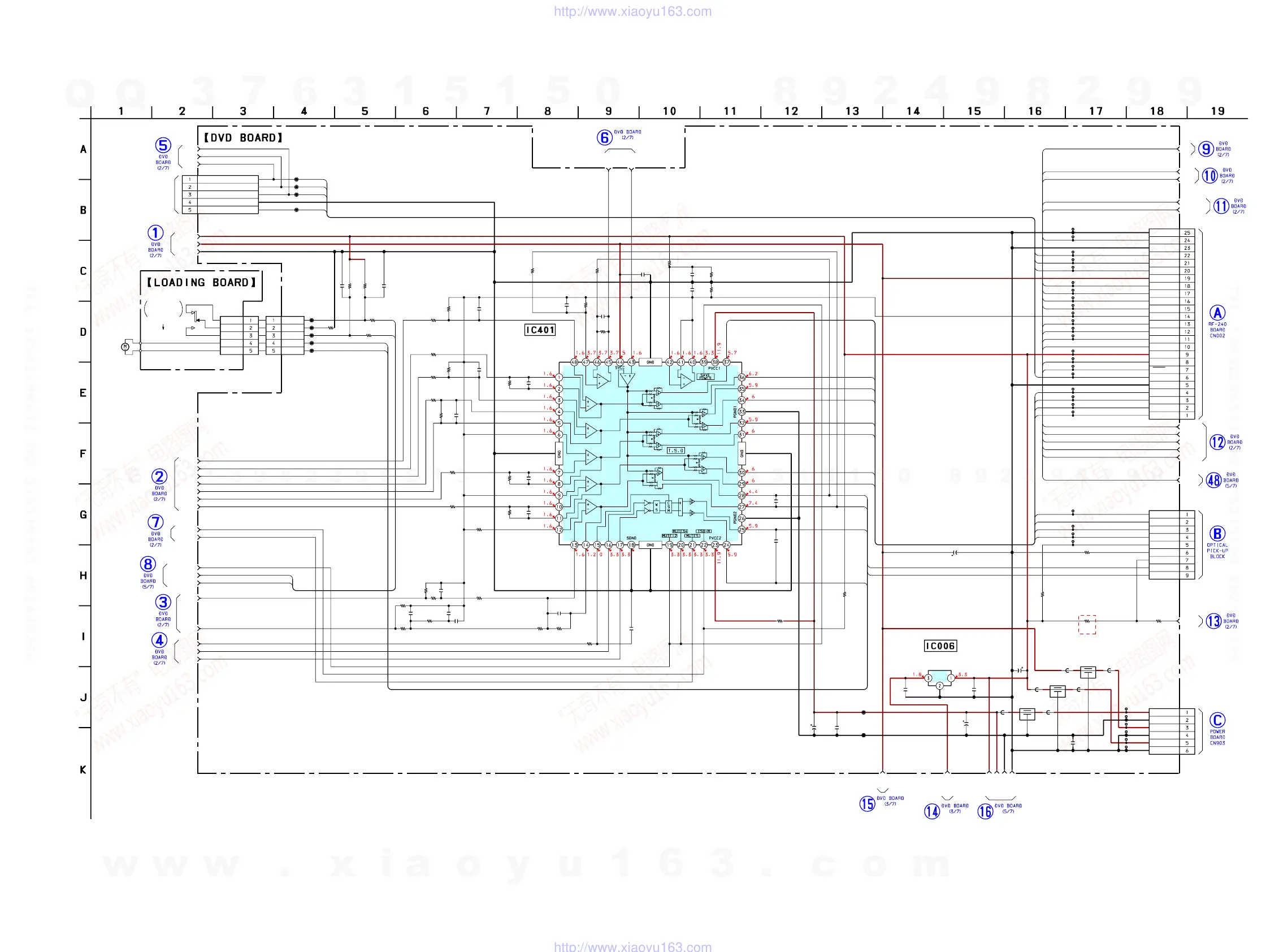
Sony HCD-M90 - Schematic Diagram - DVD Board (1;7) (Suffix-22); LOADING Boards; DVD Board (1;7) Schematic (Suffix-22)

Sony HCD-M90
134 pages
Print Icon
To Next Page IconTo Next Page
To Next Page IconTo Next Page
To Previous Page IconTo Previous Page
To Previous Page IconTo Previous Page
Loading...
HCD-M90
4949
R416 R426
C411
R428
C415
C406C405
R419
C408R422
R409
R408
R407
R425
R410
R411
C429R423
R424 C430
R421 C407
R406
R418
R431
C412 R429
C416
C417 R434
R433
R427
C420
C421
C418
JL410
JL411
R435
C404R413 R414 R420
R405
R404
R403 C427
R436
JL409
JL408
JL405
JL406
JL407
JL425
JL427
JL428
JL429
CN404
R402
C
4
2
8
FB008 FB007
FB009
FB011FB012
FB010
TP063
TP064
TP065
TP066
TP067
TP068
TP100
TP101
TP102
TP103
TP098
TP097
TP095
TP094
TP093
TP092
TP091
TP090
TP089
TP088
TP087
TP086
TP085
TP084
TP083
TP082
TP081
TP080
TP079
TP078
TP077
IC006
C018 C019
FL003
FL004
FL005
R432
R417
M901
S1
C005
C007
C403
C402
R415
CN402
R439
C419
C
4
13
C004
CN010
CN009
CN008
R412
C401
IC401
C006
R430
C414
680k 470k
0.0047
33k
0.01
0.10.1
33k
100p33k
150k
150k
120k
220k
56k
56k
0.00133k
33k 0.001
33k 220p
120k
33k
56k
0.033 56k
0.01
0.001 330
10k
100k
0.1
0.1
0.01
10k
0.001510k 470k 470k
1k
1k
10k 0.001
100
5P
10k
0.0
0
1
0.1 0.1
10k
10k
220
4V
10p
100p
220p
120k
5P
0
47
16V
0
.0
3
3
47
16V
25P
9P
6P
270k
0.015
FAN8034L
47 16V
100k
0.01
CKSW1
OCSW1
XDRVMUTE
SPMUTE
TSD
SPFG
FDRV+
FDRV-
TDRV-
TDRV+
SLE
SLDA
SLDB
MDSO
MDPO
LMCTL
LMP
LMM
DGND
RF+
MIRR
TZC
SSDFCTI
SS_MON
SSCK
SSWD
SSRD
SSCS
RFTPON
XLDON
INLIM
SVC
D+3.3V
D+5V
D+1.8V
M12V
DGND
MGND
D+5V
D+3.3V
FE
TE
PI
SPM+
LDM+
LDM-
LDM-
LDM+
OCSW1
CKSW2
OCSW1
CKSW2
PI
TE
FE
RF
SPM+
FCS+
FCS+
FCS-
FCS-
TRK+
TRK+
TRK-
TRK-
SLA+
SLA+
SLB+
SLB+
SLB-
SLB-
SLA-
SLA-
PI
TE
FE
RF
SPM-
SPM-
RF+
RF+
MIRR
MIRR
TZC
TZC
SSM
SSD
SSM
SSD
SSCK
SSCK
SSWD
SSWD
SSRD
SSRD
SSCS
SSCS
RFT
RFT
XLDON
XLDON
CKSW1
GND
OCSW1
LMD+
LMD-
RF
GND
FE
TE
PI
GND
RF+
GND
PI
TE
FE
MIRR
TZC
SSDFCTI
SS_MON
SVC
SSCK
SSWD
SSRD
SSCS
RFTPON
RFMON
GND
FCS+
FCS-
TRK+
TRK-
LDON
SLA+
SLB+
SLB-
SLA-
LED
GND
INLIM
SPM-
SPM+
MGND
(1/7)
(FOR CHECK)
CKSW1
GND
OCSW1
LMD+
LMD-(LOADING)
DISC TRAY
OPEN/CLOSE
DETECT
CLOSE
OPEN
M+12V
D+5V
DGND
D+3.3V
DGND
D+5V
D+3.3V
FOCUS/TRACKING
COIL DRIVE,
SPINDLE/SLED/LOADING
MOTOR DRIVE
G
OI
+1.8V REGULATOR
mPC2918
R078
3.3k
R077
R077
330 (TYPE A)
10k (TYPE B)
R079
22 (TYPE A)
100k (TYPE B)
R079
R076
22k
(TYPE B)
6-21. SCHEMATIC DIAGRAM – DVD (1/7) (Suffix-22)/LOADING Boards – Refer to servicing notes (page 8) for discrimination of TYPE A/B.
•Voltages and waveforms are dc with respect to ground
under no-signal conditions.
no mark : DVD PLAY
(Page 50)
(Page 50)
(Page 53)
(Page 50)
(Page 50)
(Page 50)
(Page 50)
(Page 50)
(Page 50)
(Page 50)
(Page 50)
(Page 39)
(Page 50)
(Page 53)
(Page 39)
(Page 50)
(Page 81)
(Page 53)(Page 51)
(Page 51)
Ver 1.3
w
w
w
.
x
i
a
o
y
u
1
6
3
.
c
o
m
Q
Q
3
7
6
3
1
5
1
5
0
9
9
2
8
9
4
2
9
8
T
E
L
1
3
9
4
2
2
9
6
5
1
3
9
9
2
8
9
4
2
9
8
0
5
1
5
1
3
6
7
3
Q
Q
TEL 13942296513 QQ 376315150 892498299
TEL 13942296513 QQ 376315150 892498299
http://www.xiaoyu163.com
http://www.xiaoyu163.com

Table of Contents

Related product manuals