EasyManua.ls Logo

Soredex CRANEX Novus e - Unit Description

Soredex CRANEX Novus e
77 pages
Print Icon
To Next Page IconTo Next Page
To Next Page IconTo Next Page
To Previous Page IconTo Previous Page
To Previous Page IconTo Previous Page
Loading...
Installation and set-up manual 208668 3
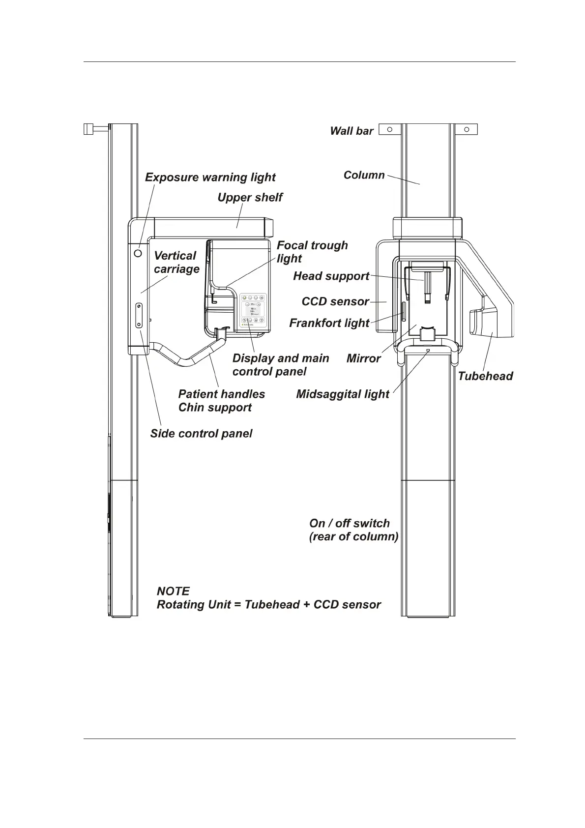
CRANEX Novus e 1. Introduction
1.4 Unit description
Main parts

Other manuals for Soredex CRANEX Novus e

Related product manuals