EasyManua.ls Logo

Taylor-Dunn MX 1600 - Page 164

Taylor-Dunn MX 1600
240 pages
Print Icon
To Next Page IconTo Next Page
To Next Page IconTo Next Page
To Previous Page IconTo Previous Page
To Previous Page IconTo Previous Page
Loading...
Electrical Troubleshooting
Charger Troubleshooting Page 2
OPERATING INSTRUCTIONS AND THEORY OF OPERATION
The Lestronic II
®
chargers are designed as semiautomatic chargers. The Lestronic II
®
charger turns itself
on when the “built- in” charger is plugged into the wall outlet, or when the “portable” charger is plugged into
the batteries. As the battery charges, the battery voltage rises. The charger periodically checks the battery
voltage and compares it to the previous reading. When the battery voltage stops rising a predetermined
amount, then the batteries are no longer accepting a charge and the charger shuts off. The charger will not
start again unless the AC cord on a “built-in” charger is disconnected from the wall outlet, or the DC plug on
a portable charger is disconnected from the batteries.
The charger does not check the current state of charge when it is plugged in, it assumes that the batteries
require charging when it is connected. For this reason, it is recommended to discharge the batteries
approximately 50% (1175-1200 as indicated on a hydrometer) before connecting the charger. If the charger
is connected before the batteries are discharged 50%, the batteries may enter an overcharge state before
the charger can sense that the batteries are no longer accepting a charge. This could result in overcharging
and damaging the batteries.
The relay that operates the charger is powered by the batteries being charged. If the voltage on the
batteries to be charged is less than approximately 65% of the rated charger DC voltage, the relay will not
pick up and the charger will not turn on. In this situation, a manual charger would have to be used to bring
the battery voltage up so that the Lestronic
®
charger can sense that they are connected and turn itself on.
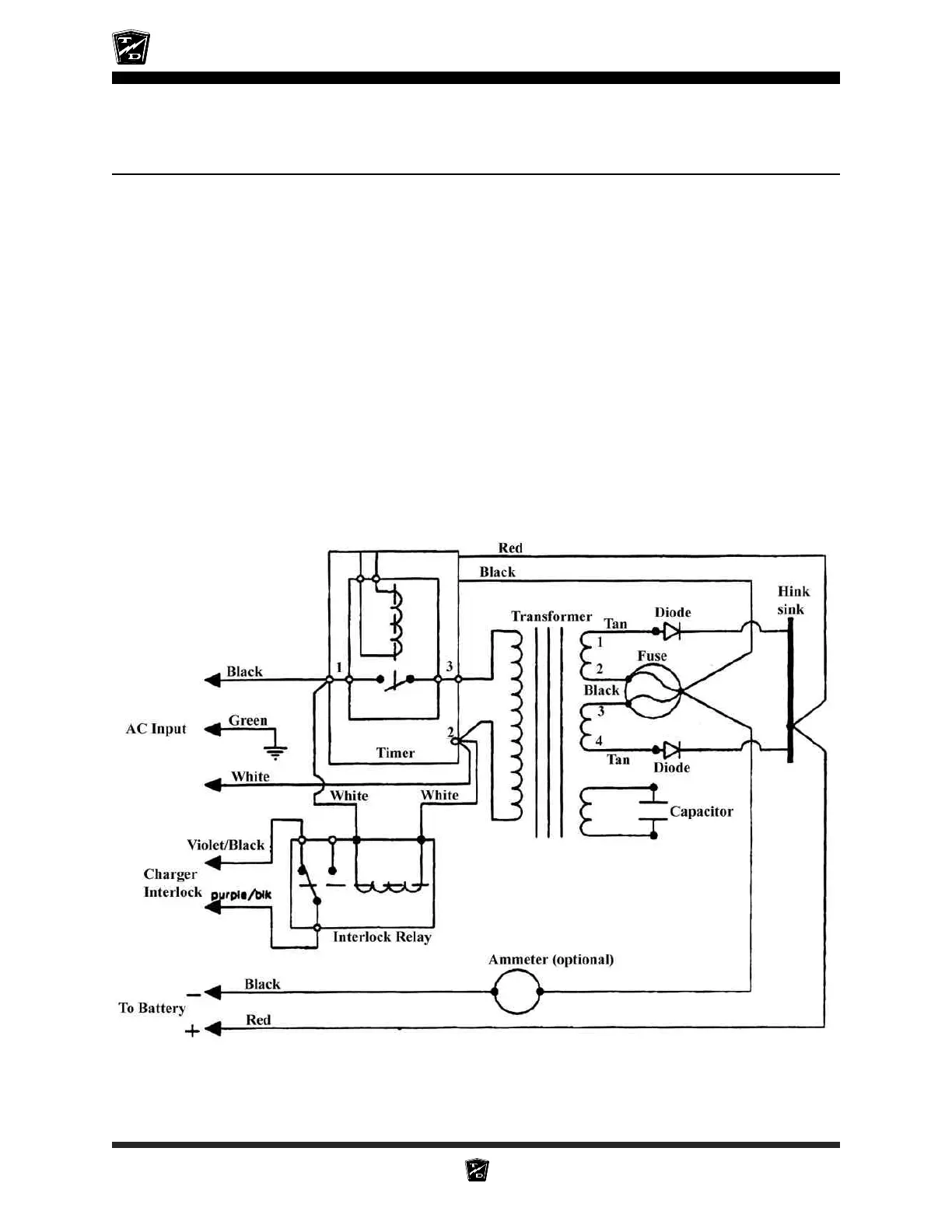
Typical Charger Internal Wire Diagram
Not all chargers are equipped
with the lockout relay

Table of Contents

Related product manuals