EasyManua.ls Logo

TEXA ACKF01 - Rinçage Inverse de la Section Évaporateur

TEXA ACKF01
Print Icon
To Next Page IconTo Next Page
To Next Page IconTo Next Page
To Previous Page IconTo Previous Page
To Previous Page IconTo Previous Page
Loading...
ACKF01_FR_00 Texa S.p.A. 155/182
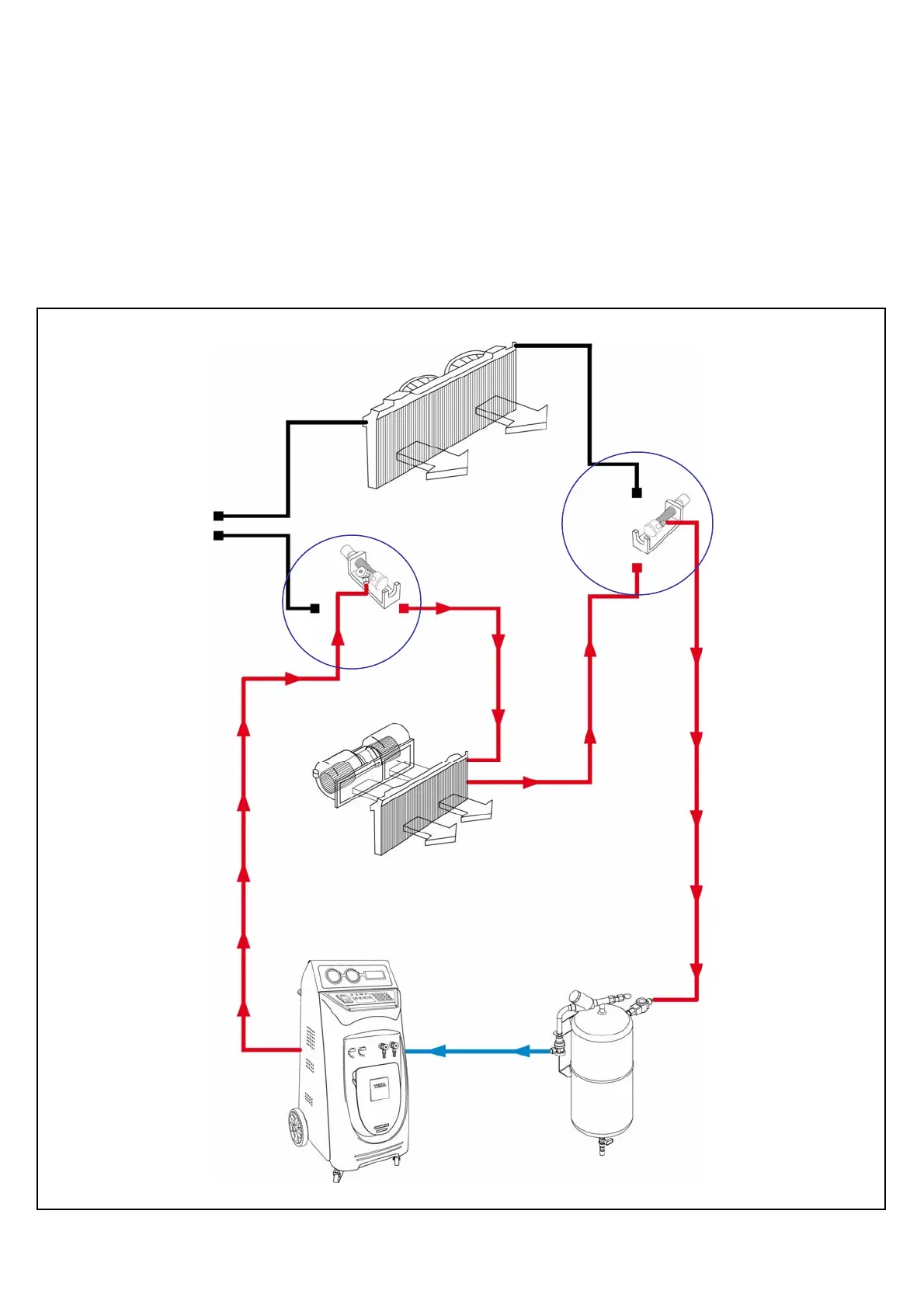
6.6.2 Rinçage inverse de la section évaporateur
Afin d’effectuer la passe finale de rinçage, inverser les connexions au système. Dans cette
situation vous effectuerez un rinçage inverse vers la position du tube à orifice calibré et dans le
sens opposé au flux normal du système A/C.
Connecter la station Konfort au système comme suit:
(1)Tuyau service HP rouge station Konfort à la position de l’accumulateur.
(2)Tuyau rouge rinçage 3/8’’ SAE f.3900171 à la position du tube étrangleur.
Position de
l’accumulateur
Position du tube
étrangleur
(1)
(2)
Condenseur
Evaporateur

Table of Contents