EasyManua.ls Logo

TEXA ACKF01 - Back-Flushing the Evaporator Side

TEXA ACKF01
Print Icon
To Next Page IconTo Next Page
To Next Page IconTo Next Page
To Previous Page IconTo Previous Page
To Previous Page IconTo Previous Page
Loading...
ACKF01_GB_00 TEXA S.p.A. 95/122
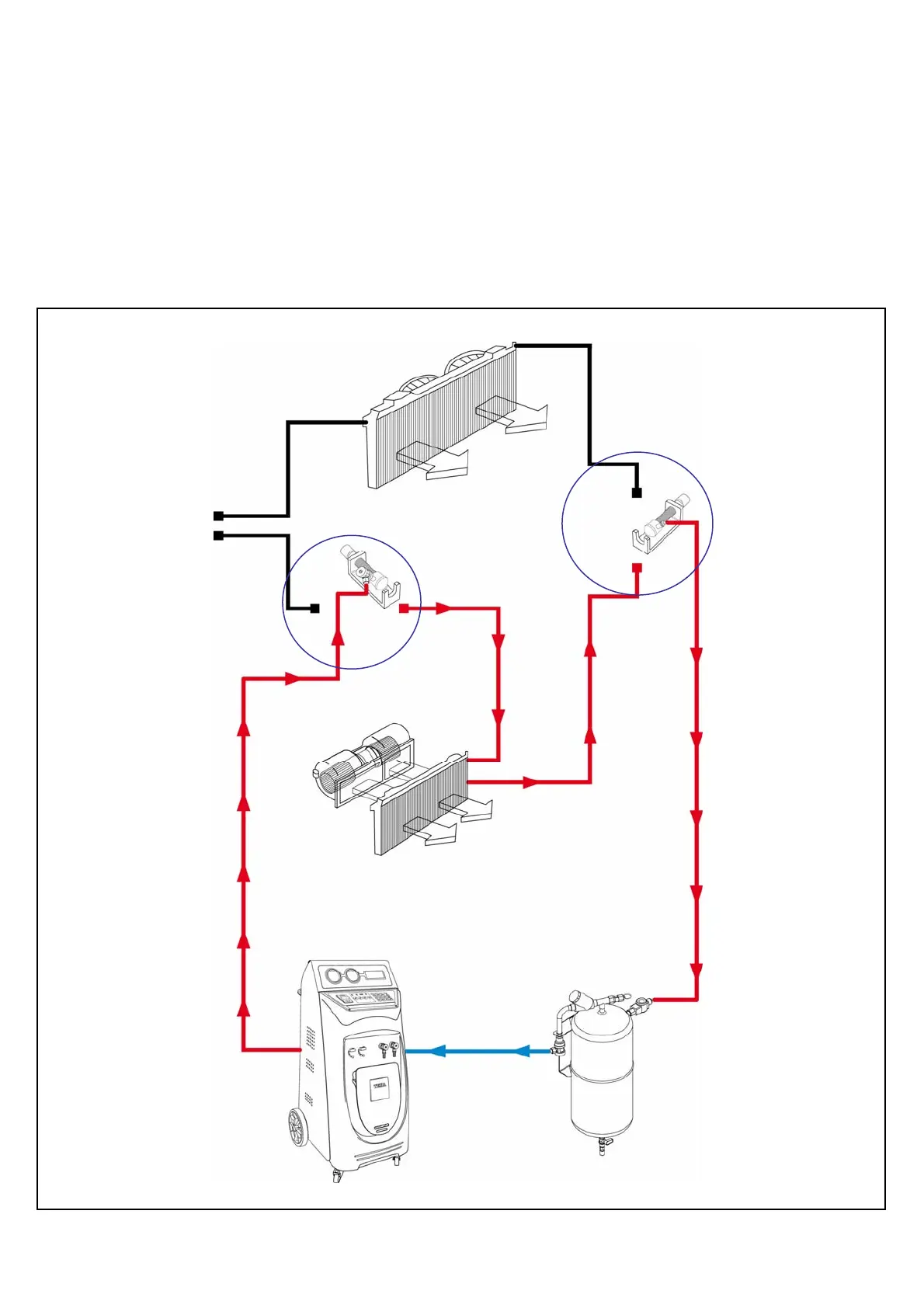
6.6.2 Back-flushing the evaporator side
In order to perform the final pass of flushing, reverse the connections to the system. In this
situation you will be back-flushing towards the orifice tube location and against the regular
flow of the A/C system.
Connect the Konfort unit to system as following:
(1)Konfort red service hose with HP coupler to the accumulator location
(2)Canister red service hose 3/8’’ SAE P/N 3900171 to the orifice tube location
Accumulator
location
Orifice tube
location
(1)
(2)
Condenser
Evaporator

Table of Contents