EasyManua.ls Logo

TEXA ACKF01 - Lavaggio Lato Condensatore

TEXA ACKF01
Print Icon
To Next Page IconTo Next Page
To Next Page IconTo Next Page
To Previous Page IconTo Previous Page
To Previous Page IconTo Previous Page
Loading...
ACKF01_IT_00 Texa S.p.A. 32/62
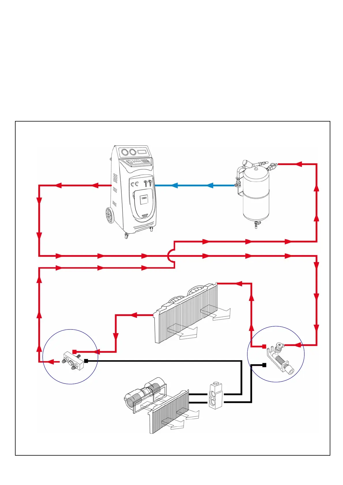
6.5.3 Lavaggio lato condensatore
Al fine di evitare che le particelle provenienti dal compressore danneggiato contaminino il resto
dell’impianto, iniziare il lavaggio verso l’ubicazione del compressore, procedendo in senso
contrario rispetto al flusso regolare dell’impianto di climatizzazione.
Collegare l’unità Konfort all’impianto come segue:
(1)Tubazione rossa di servizio Konfort con raccordo HP all’ubicazione filtro
disidratatore
(2)Tubazione rossa di servizio bombola 3/8’’ SAE num. part. 3900171
all’ubicazione del compressore
Ubicazione
compressore
Ubicazione
filtro
disidratatore
(1)
(2)
Condensatore
Evaporatore

Table of Contents