EasyManua.ls Logo

Texas Instruments J721E - Reset; Figure 4-7. EVM Reset Architecture

Texas Instruments J721E
84 pages
Print Icon
To Next Page IconTo Next Page
To Next Page IconTo Next Page
To Previous Page IconTo Previous Page
To Previous Page IconTo Previous Page
Loading...
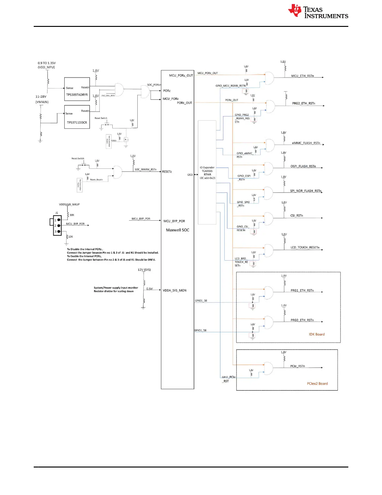
4.6 Reset
Figure 4-7 shows the J721E EVM reset architecture.
Figure 4-7. EVM Reset Architecture
J721E EVM Hardware Architecture www.ti.com
38 Jacinto7 J721E/DRA829/TDA4VM Evaluation Module (EVM) SPRUIS4D – MAY 2020 – REVISED MARCH 2022
Submit Document Feedback
Copyright © 2022 Texas Instruments Incorporated

Table of Contents

Related product manuals