EasyManua.ls Logo

Thermal Dynamics MERLIN 6000 - Appendix X: Ladder Diagram - 15 VDC

Thermal Dynamics MERLIN 6000
74 pages
Print Icon
To Next Page IconTo Next Page
To Next Page IconTo Next Page
To Previous Page IconTo Previous Page
To Previous Page IconTo Previous Page
Loading...
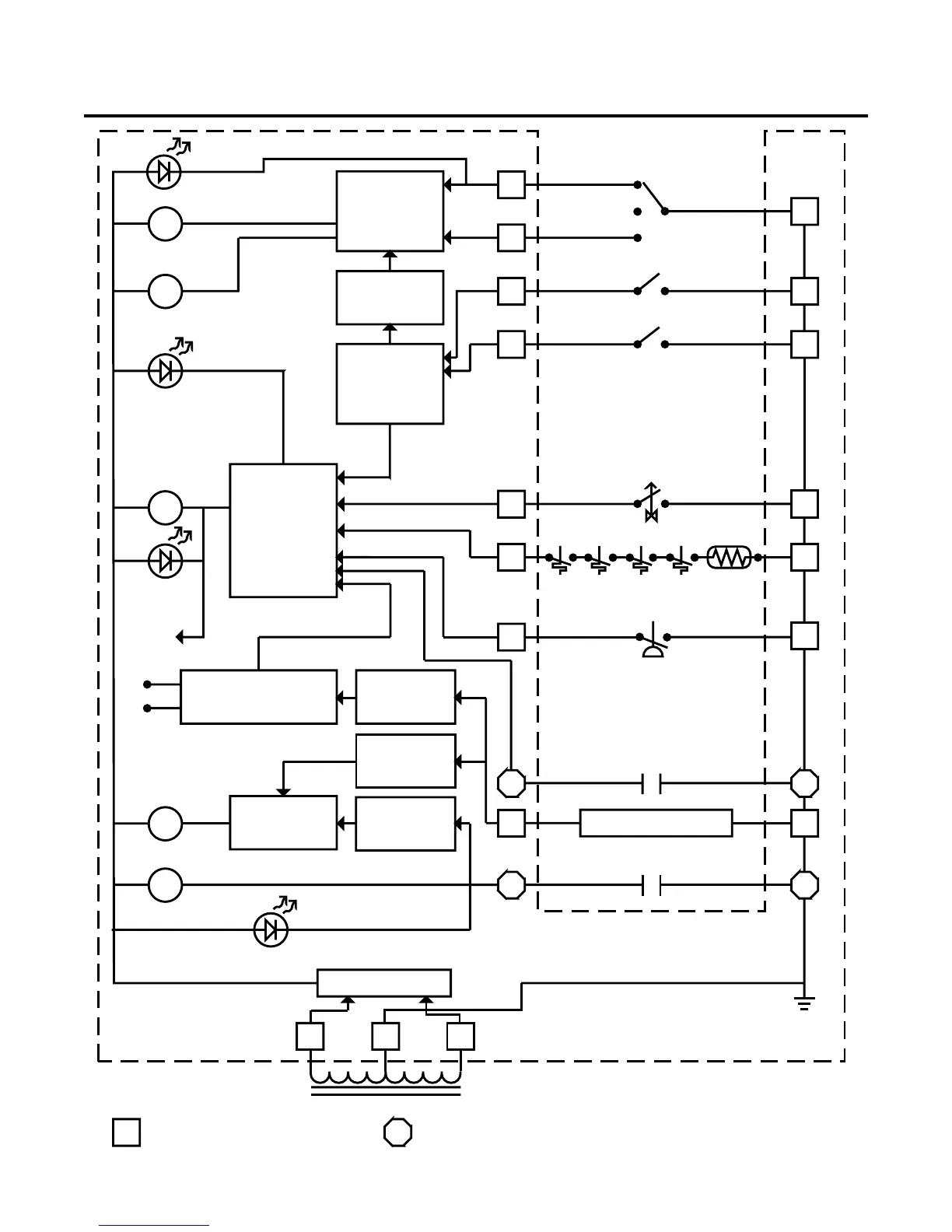
Manual 0-2568 63 APPENDIX
APPENDIX X: LADDER DIAGRAM - 15 VDC
3
LOGIC CONTROL BOARD
13
11
19
15
5
9
7
24
11
12
18
14
4
8
6
22
12
K4
K3
K2
K5
K1
PLASMA
SECONDARY
GAS
CONTROL
CIRCUIT
PRE-FLOW &
POST-FLOW
CIRCUIT
SWITCH
RECOGNITION
RUN
SET
PURGE
SW2
START/STOP (CNC)
START/STOP (Hand)
FS1
D8
START
INDICATOR
CONTACTOR
CONTROL
W
CONTACTOR
D9
J3-9
PWM
ENABLE
CONTACTOR DISABLE
(Only after main con-
tactor initially closes)
SENSE BRIDGE
VOLTAGE
<60VDC
SENSE BRIDGE
VOLTAGE
>60VDC
TP1
TP4
To disable
this circuit for troubleshooting
short test points together.
PILOT
CONTROL
HF AND
PILOT
DISABLE
HF AND PILOT
CONTACTOR
OK to Move
HFWS
CSR Indicator
D10
15 VDC SUPPLY
2
1
28 VAC
CENTER TAP
TORCH VOLTAGE/23
CSR (from Current
Control Board)
PS1
TS3
TS5
TS2
ALL PC BOARD INPUTS
ACTIVE LOW EXCEPT
J1-24 AND J1-21.
21 22
OVER-CURRENT SHUTDOWN
(From Switching Control)
REFERENCES J1 CONNECTOR
REFERENCES J3 CONNECTOR
A-01557
D7
RUN
TS1 TS4
W-ON

Table of Contents

Other manuals for Thermal Dynamics MERLIN 6000

Related product manuals