EasyManua.ls Logo

Thytronic Pro-N NVA100X-D - Diagnostic; Pilot wire diagnostic; Set sampled channels; Set analog channels

Thytronic Pro-N NVA100X-D
376 pages
Print Icon
To Next Page IconTo Next Page
To Next Page IconTo Next Page
To Previous Page IconTo Previous Page
To Previous Page IconTo Previous Page
Loading...
FUNCTION CHARACTERISTICS
253
NVA100X-D - Manual - 02 - 2016
When using the Pro-N devices inside the selective logic systems, the answer to the circuit breaker
failure problem can be solved by means of, (as well as the BF-Breaker Failure element) or by
means of a threshold adjusted for time selectivity, through use of the output block reset timer too
with the intent that avoid permanently block of all upstream relays by downstream block signals (the
only one unblocked relays deals to the fault breaker).
The t
F-IPh
, t
F-IE,
t
F-IPh/IE
timers must be adjusted according the following rule (example for t
F-Iph
):
t
F-Iph
= t + T
AP
+ t
rip
+ ε
t
+ ε
s
where t is the larger phase protection operate time, T
AP
is the circuit breaker operate time (with arc
extinction), t
rip
is the larger reset time of all protective relays inside the selective logic system, ε
t
is
an potential selectivity margin relative to the t
F-x
time of the downstream relays, ε
s
is a safety margin
need to include timers errors (tolerances).
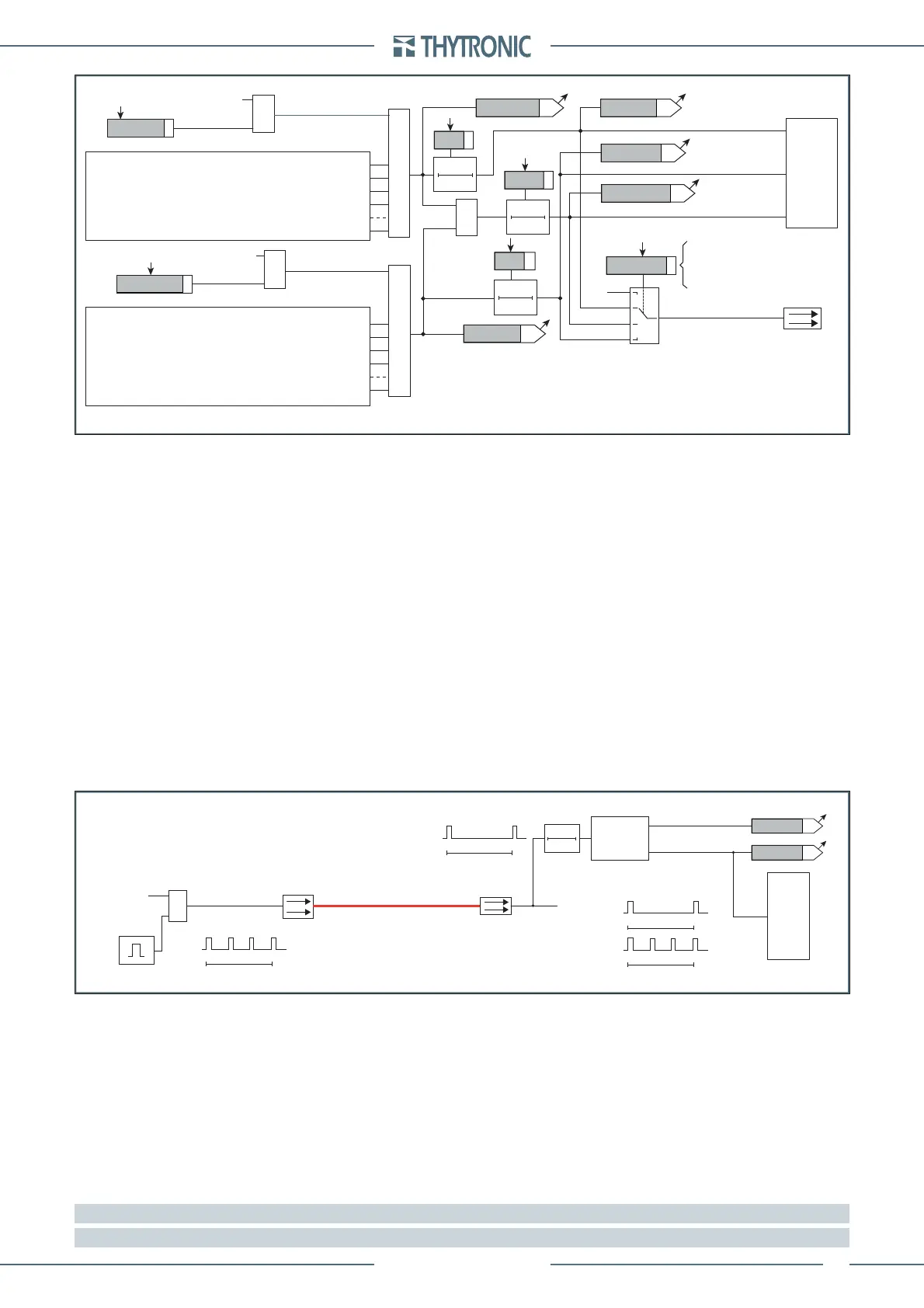
Diagnostic
To guarantee maximum fail-safety, the relay performs a run time monitoring for pilot wire continuity
and pilot wire shorting.
[1]
Exactly the output blocking circuit periodically produces a pulse, having a small enough width in
order to be ignored as an effective blocking signal by the input blocking circuit of the upstream
protection, but suitable to prove the continuity of the pilot wire.
Furthermore a permanent activation (or better, with a duration longer than a preset time) of the
blocking signal is identifi ed, as a warning for a possible short circuit in the pilot wire or in the output
circuit of the downstream protection.
The periodic pulses that are sent by output circuit may be enabled or disabled by means the Pulse-
BLOUT1 parameter available inside the Set \ Pilot wire diagnostic menu; with OFF setting the
pulses are disabled.
[2]
If no pulses are received inside an adjustable time window at the selective block input circuit, a
break pilot wire alarm is issued; the information is available for reading (Breaked BLIN1 data inside
Read \ Pilot wire diagnostic submenu) and can drive an output relay and or a LED (PulseBLIN-K
and or a PulseBLIN-L parameters inside Set \ Pilot wire diagnostic submenu).
The control window may be programmed for OFF (no control) - 0.1 -1 - 5 - 10 - 60 - 120 s; the
Pulse BLIN1 parameter is available inside the Set \ Pilot wire diagnostic menu; with OFF setting of
the the PulseBLIN1 parameter the pulse control is disabled.
The same setting must be for input and output (PulseBLIN1 and PulseBLOUT1).
Note 1 Full diagnostic of pilot wires is only available when committed pilot wire input/outputs are employed
Note 2 When several outputs are parallel linked the pulse emission must be enabled inside one device only, sooner inside the outermost device
Pilot wire output
Pilot wire link
1
Pulse
generator
BLOCK OUT
BLOCK IN
T0
Pilot wire
Diagnostic
Pilot wire input
No pulses
Permanently “ON”
BLIN1
BLOUT1
Breaked BLIN
TRIPPING MATRIX
(LED+RELAYS)
Shorted BLIN
Pulse BLIN1
Pulse BLIN1
Pulse BLOUT1
Pulse BLOUT1
Logic diagram concerning the selective block output - Block2 output
Block2-diagram.ai
&
Block2 output
(ONEnable)
I>BLK2OUT
Start I>
I> Block2 OUT
Pilot wire output
TRIPPING MATRIX
(LED+RELAYS)
ModeBLOUT1
A
B
C
D
BLOUT1
Block2 output
1
t
F-IPh
t
F-IPh/IE
t
F-IE
ST-Iph BLK2
ST-IE BLK2
T0
t
F-IPh/IE
T0
t
F-IPh
T0
t
F-IE
BLK2OUT-Iph
BLK2OUT-Iph/IE
BLK2OUT-IE
A = OFF
B = ON IPh
C = ON IPh/IE
D = ON IE
BLK2OUT-IPh-K
BLK2OUT-IPh-L
BLK2OUT-IPh/IE-K
BLK2OUT-IPh/IE-L
BLK2OUT-IE-K
BLK2OUT-IE-L
All other BLK2OUT outputs of phase elements
[I2>, I2>> (46M), DthAL1, DthAL2, Dth> (49),
I>>, I>>> (50/51), ILR>, ILR>> (51LR),
I-I/U>, I-I/U>> (51V)]
1
Start I
E1
>
&
Block2 output
(ONEnable)
IE1>BLK2OUT
I
E
> Block2 OUT
All other BLK2OUT outputs of ground elements
[IE1>>, IE1>>>(50N.1/51N.1), IE2>, IE2>>, IE2>>>(50N.2/51N.2),
IEC>, IEC>>, IEC>>> (50NComp/51NComp),
IED>, IED>>, IED>>>, IED>>>> (67N),
IEDC>, IEDC>>, IEDC>>>, IEDC>>>> (67NComp)]
1

Table of Contents

Related product manuals