EasyManua.ls Logo

Topcon ISOCAN - Basic ISOCAN Single-Motor System Schematic

Topcon ISOCAN
38 pages
Print Icon
To Next Page IconTo Next Page
To Next Page IconTo Next Page
To Previous Page IconTo Previous Page
To Previous Page IconTo Previous Page
Loading...
ISOCAN / ISOBUS ARTEMIS - SEED DRILL CONTROLLER
6
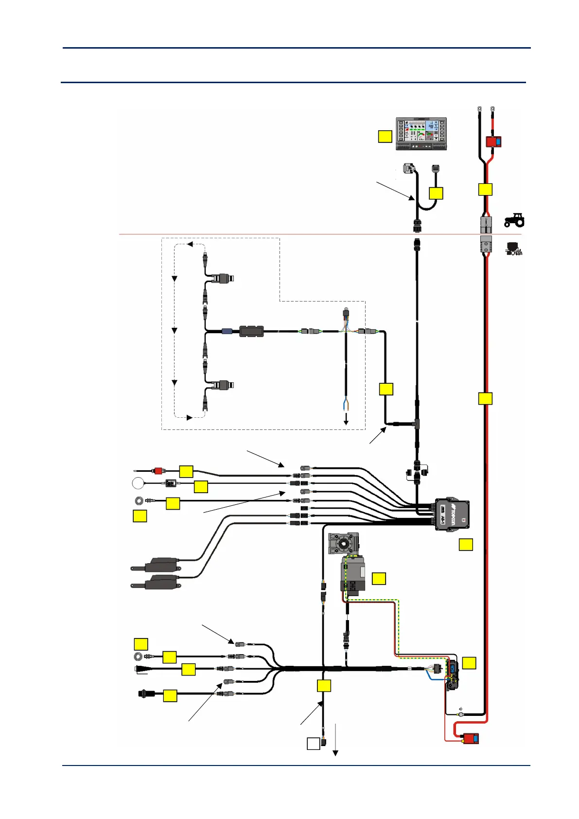
1.3 Basic ISOCAN Single-motor system Schematic
Kit Ref. : P/ART3/ISOCAN
Figure 2
‘MCM’ CAN
Module
Motor
Area Cutout/ TL
Advance
Seed Shaft 1
Confirmation
Sensor
S/TC/1015540-01
Expansion Harness
Tramline actuators
(not supplied by
Topcon)
Hopper level 1
sensor
11
S/CB/411-1-026
Seed blockage
sensors
(optional)
S/HU/410-3-002
Satspeed 2
ECU
Assembly
S/CB/410-3-020
Fan 1 Speed
Sensor
42
46
49
43
55
51
45
49
44
52
50
48
41
20
13
(Ref. Figure 4)
B
10
K/ART2/PWR
Seed Shaft 2
Confirmation Sensor
(optional)
Hopper level 2 sensor
(optional)
Fan 2 Speed
Sensor
(optional)
Lower Area Cutout
(optional)

Related product manuals