EasyManua.ls Logo

Topcon ISOCAN - Basic ISOBUS Single-Motor System Schematic

Topcon ISOCAN
38 pages
Print Icon
To Next Page IconTo Next Page
To Next Page IconTo Next Page
To Previous Page IconTo Previous Page
To Previous Page IconTo Previous Page
Loading...
ISOCAN / ISOBUS ARTEMIS - SEED DRILL CONTROLLER
7
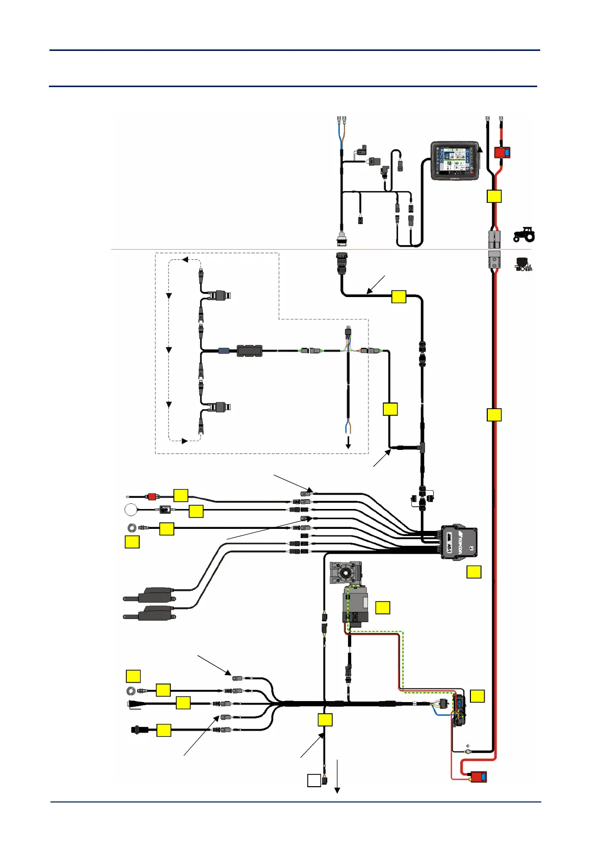
1.4 Basic ISOBUS Single-motor system Schematic
Kit Ref. : P/ART3/ISOBUS or P/ART3/ISOBUSNM (Motor not included)
Figure 3
Isobus Cab Harness
(not included)
‘MCM’ CAN
Module
Motor
Area Cutout/ TL
Advance
Seed Shaft 1
Confirmation
Sensor
S/TC/1015540-01
Expansion Harness
Tramline actuators
(not supplied by
Topcon)
Hopper level 1
sensor
40
S/CB/500-1-156
Seed blockage
sensors
(optional)
ISOBUS UT
(not included)
Satspeed 2
ECU
Assembly
S/CB/410-3-020
Fan 1 Speed
Sensor
42
46
49
43
55
51
45
49
44
52
50
48
41
20
13
(Ref. Figure 4)
B
K/ART2/PWR
Seed Shaft 2
Confirmation Sensor
(optional)
Hopper level 2 sensor
(optional)
Fan 2 Speed
Sensor
(optional)
Lower Area Cutout
(optional)

Related product manuals