EasyManua.ls Logo

Toro 30410 - Page 132

Toro 30410
250 pages
Print Icon
To Next Page IconTo Next Page
To Next Page IconTo Next Page
To Previous Page IconTo Previous Page
To Previous Page IconTo Previous Page
Loading...
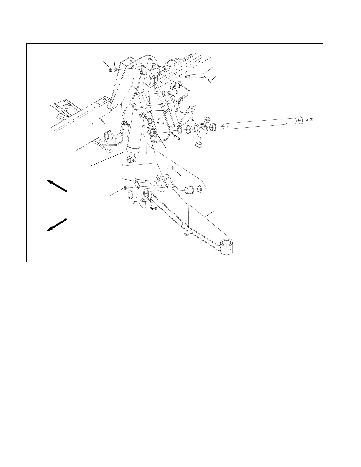
Groundsmaster 4000--DHydraulic System (Rev. B) Page 4 -- 98
Side Deck Lift Cylinder
1. Lift arm assembly (LH shown)
2. Shoulder screw
3. Pin assembly
4. Lift cylinder
5. Flange locking nut
6. 90
o
hydraulic fitting
7. O--ring
8. O--ring
9. Cylinder pin
10. Spring pin
11. Lock nut
12. Flat washer
Figure 76
11
12
9
10
3
2
4
5
1
6
7
8
FRONT
RIGHT

Table of Contents

Other manuals for Toro 30410

Related product manuals