EasyManua.ls Logo

Toro 30410 - Service and Repairs; Steering Tower

Toro 30410
250 pages
Print Icon
To Next Page IconTo Next Page
To Next Page IconTo Next Page
To Previous Page IconTo Previous Page
To Previous Page IconTo Previous Page
Loading...
Rev. E
Groundsmaster 4000−DPage 7 − 2Chassis
Service and Repairs
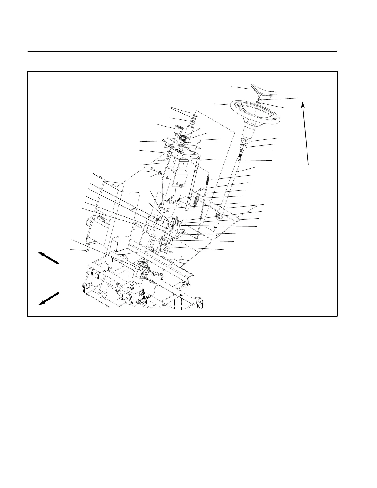
Steering Tower
1. Hex nut
2. Flat washer
3. Steering wheel
4. Foam collar
5. Steering seal
6. External snap ring (2 used)
7. Knob
8. Steering tower cover
9. Steering shaft
10. Compression spring
11. Cap
12. Rod assembly
13. Extension spring
14. Tilt rod
15. Lock nut
16. Parking brake switch
17. Cotter pin
18. Brake pawl
19. Cotter pin
20. Lock nut
21. Nut insert
22. Flange head screw
23. Flange bushing
24. Thrust washer
25. Temperature gauge
26. Warning lamp (temp/glow plug)
27. Warning lamp (charge/oil pressure)
28. Steering column
29. Cap screw
30. Pivot hub
31. Flange head screw
32. Switch bracket
33. Flange nut
34. Cap screw
35. Steering tower
36. Phillips head screw
37. Clevis pin
38. Steering valve
39. Steering wheel cover
40. Front wire harness
41. Snap ring location
Figure 1
1
2
3
4
5
6
9
24
23
7
8
11
12
17
18
19
33
14
25
26
27
28
29
30
22
35
37
38
13
15
16
20
31
34
32
21
36
21
10
40
39
FRONT
RIGHT
41
41
18 to 22 ft−lb
(25 to 29 N−m)

Table of Contents

Other manuals for Toro 30410

Related product manuals