EasyManua.ls Logo

Toro 30410 - Chapter 9; Electrical Schematic (S;N below 220999999)

Toro 30410
250 pages
Print Icon
To Next Page IconTo Next Page
To Next Page IconTo Next Page
To Previous Page IconTo Previous Page
To Previous Page IconTo Previous Page
Loading...
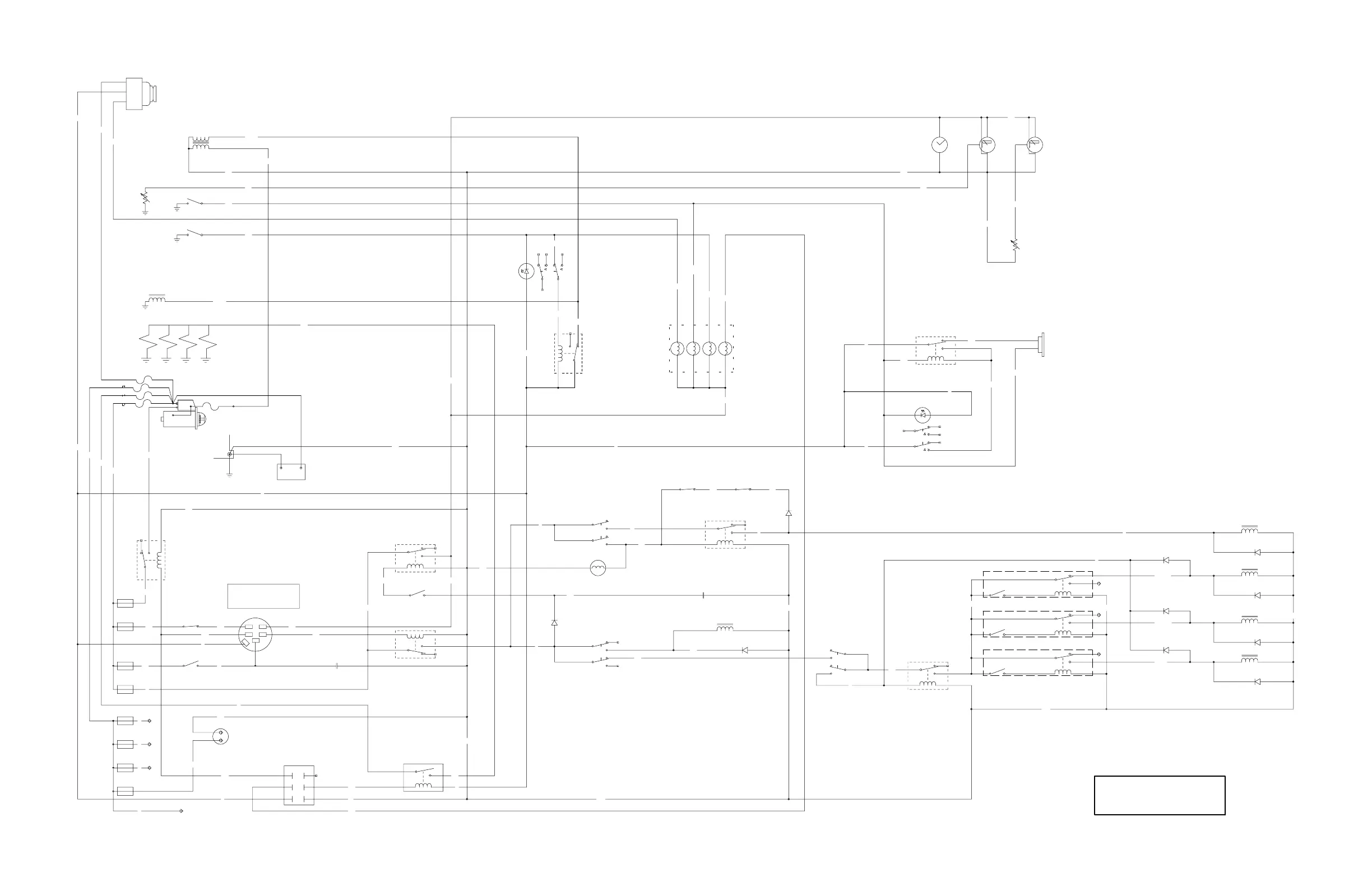
Page 9 - 3
Electrical Schematic
Groundsmaster 4000−D
All relays and solenoids
are shown as de−energized.
F 8
W
POWER POINT
R
R
OPTIONAL
FUSEBLOCK
F 6
F 7
R
R
VIO
PK
F 1
F 3
SEAT SWITCH
F 2
Y
10 A
10 A
5 A
Y
GN
NEUTRAL SWITCH
(IN NEUTRAL)
F 5
6500
MFD
(−)(+)
S
BA
Y
X
I
IGNITION SWITCH
PTO SHUTDOWN DELAY
PK
GN
W
OR
BK
R
VIO
START
4
5
6
1
2
3
KUBOTA
GLOW PLUG
CONTROLLER
LAMP
+ 12V GND
GLOW
THERMO
BN
BKY
OR
10 A
BK
START RELAY
30
85
87
86
87a
F 4
OR
R
R
R
Y
BU
ENGINE
Start
B+
FUSIBLE LINK
G
FL
ENGINE GROUND
BATTERY
(+)(−)
FRAME GROUND
SP
Y
STOP −−−− NONE
RUN −−−− B+I+A; X+Y
START −−− B+I+S
Y
BK
ENGINE SHUTDOWN
PARKING BRAKE
(ENGAGED)
30
85
87
86
87a
PKT
T
BK
LEFT SIDE
SWITCH (OPT)
OFF: NONE
Y
BN
ENGINE SHUTDOWN DELAY
(+) (−)
8
CRUISE SWITCH (OPT)
ON: 2&3
ENGAGE: 2&3; 5&6
3
2
5
6
CRUISE RELAY (OPT)
30
85
87
86
87a
7
6500
MFD
W
BU
GY
30
85
87
86
87a
30
8586
87
GLOW RELAY
SEAT RELAY
TRANSPORT/4 WD SWITCH
D1−A
BK
OR
BK
5
2
3
6
4
1
SV1
2 WD
Y
GN
BU
T
FL
FL
FL
110 C
ENGINE OVER TEMP.
ENGINE OIL PRESSURE
TEMP
GN
OR
GLOW PLUGS (4)
FUEL PUMP
R/BK
BU
GY
Y
R
B
L
W
RUN SOLENOID
(HOLD)
(PULL)
BK
R/BK
R
ALTERNATOR
W
Y
PK
1
4
3
2
5
6
−7+8
W
BU
T
GN
CLUSTER GAUGE
ALTERNATOR
LOW OIL PRESSURE
OVER TEMP.
30
85
87
86
87a
OVER TEMP. SHUT DOWN RELAY
R/BK
BU
BK
GN
30
85
87
86
87a
ALARM RELAY
(+)
(−)
ALARM
FUEL SENDER
GLOW
Y
Y
OR
BU
W
GN
GY
W
(−)
HR
(+)
TEMP
I
G
S
FUEL
S
G
I
BK
LL
PK
D2
PTO SWITCH
3
2
5
6
PTO OFF: NONE
PTO ON: 2&3
PTO ENGAGE.: 2&3; 5&6
Y
LEFT DECK
POSITION
PK
30
85
87
86
87a
BK
30
85
87
86
87a
30
85
87
86
87a
POSITION
RIGHT DECK
PTO RELAY
BK
D8
1
4
3
2
5
6
−7 +8
SILENCE ALARM SWITCH
POSITION
30
85
87
86
87a
SWITCH (OPT)
RIGHT SIDE
PK
OR
Y
T
GY
FRONT DECK
T
Y
BK
D1−C
D1−D
GN/BK
D7
CRUISE COIL (OPT)
PTO
FRONT DECK
D5
D1−B
Y/BK
VIO/BK
RIGHT DECK
PTO
D6
BK
PTO
LEFT DECK
D4
10A
SENDER
All ground wires are black.
HIGHTEMP OVERRIDE
SWITCH
RELAY
SERVICE BRAKE SERVICE BRAKE
(SHOWN IN 4WD)
SWITCH
(Serial Numbers below 220999999)

Table of Contents

Other manuals for Toro 30410

Related product manuals