EasyManua.ls Logo

Toro 30410 - Engine

Toro 30410
250 pages
Print Icon
To Next Page IconTo Next Page
To Next Page IconTo Next Page
To Previous Page IconTo Previous Page
To Previous Page IconTo Previous Page
Loading...
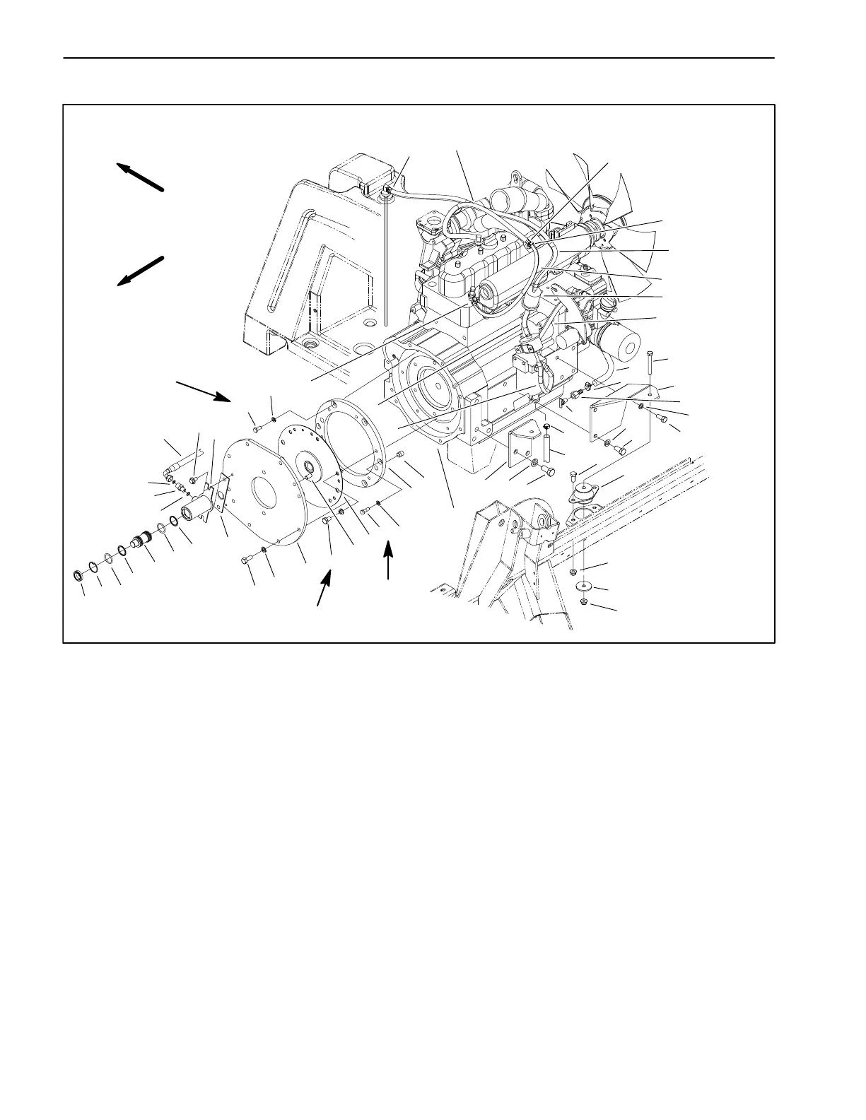
Groundsmaster 4000−DPage 3 − 14Kubota Diesel Engine (Rev. B)
Engine
Figure 9
1. Engine
2. Engine mount bracket (RH shown)
3. Lock washer
4. Cap screw
5. Barb fitting
6. Hose clamp
7. Hose
8. Fuel line
9. Fuel filter
10. Fuel line
11. Coolant drain hose
12. Hose clamp
13. Cap screw
14. Barb fitting (female)
15. Coolant drain cock fitting
16. Engine mount bracket (RH shown)
17. Lock washer
18. Cap screw
19. Lock washer
20. Cap screw
21. Cap screw
22. Rubber engine mount
23. Flange head locking nut
24. Rebound washer
25. Hose clamp
26. Fuel line
27. Coupler spacer
28. Dowel
29. Lock washer
30. Shoulder bolt
31. Cap screw
32. Spring center coupling
33. Plate pin
34. Cap screw
35. Pump adapter plate
36. Lock washer
37. Cap screw
38. Traction cylinder assembly
39. Cap screw
40. O−ring
41. Cylinder piston
42. Back−up ring
43. Retaining ring
44. Seal
45. Hydraulic fitting
46. O−ring
47. O−ring
48. Shim plate
49. Hydraulic hose
24
23
22
21
20
19
18
17
16
13
1
2
3
4
6
6
5
9
12
11
14
15
7
10
8
26
10
10
10
25
12
28
27
29
32
30
34
35
36
37
31
39
45
38
42
41
33
40
43
44
46
47
48
29
40
42
49
23
FRONT
RIGHT
10 to 12 ft−lb
(13.6 to 16.3 N−m)
35 to 43 ft−lb
(47.5 to 58.3 N−m)
17 to 21 ft−lb
(23 to 28.5 N−m)

Table of Contents

Other manuals for Toro 30410

Related product manuals