EasyManua.ls Logo

Toro 30410 - Piston (Traction) Pump

Toro 30410
250 pages
Print Icon
To Next Page IconTo Next Page
To Next Page IconTo Next Page
To Previous Page IconTo Previous Page
To Previous Page IconTo Previous Page
Loading...
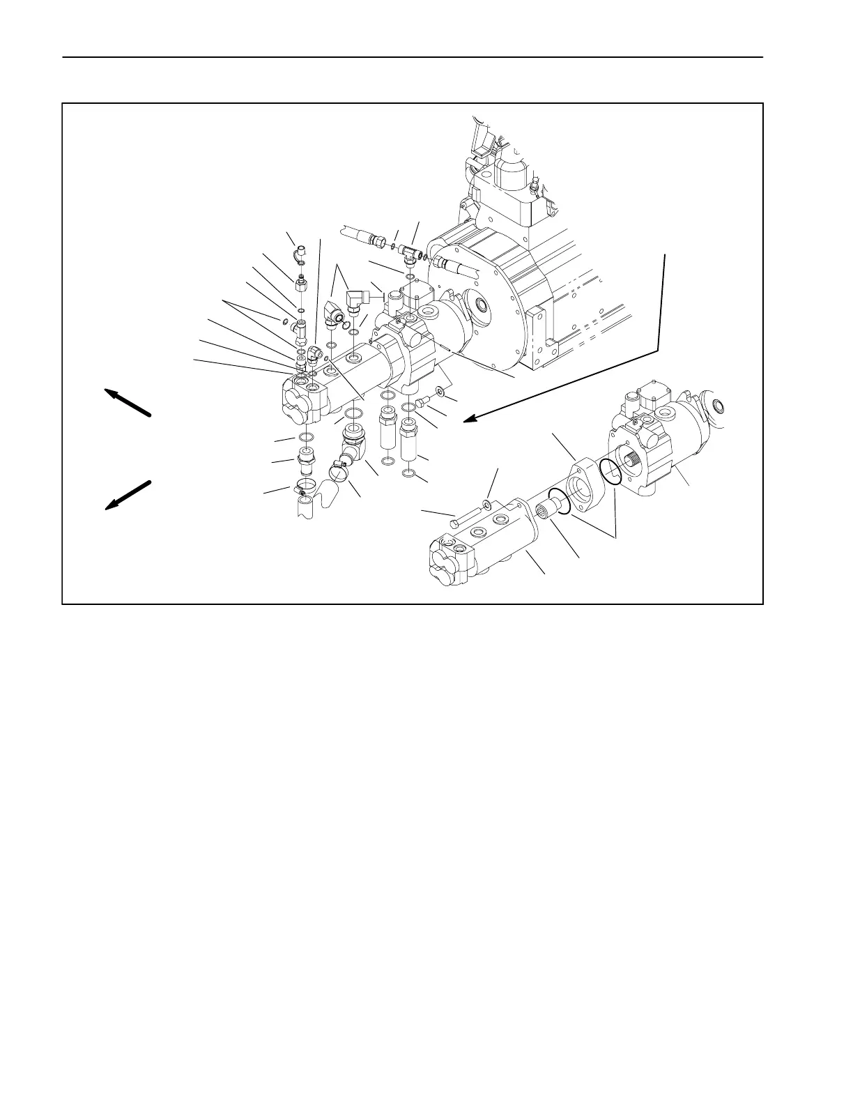
Groundsmaster 4000--DHydraulic System (Rev. B) Page 4 -- 58
Piston (Traction) Pump
1. Hydraulic T fitting
2. O--ring
3. O--ring
4. 90
o
hydraulic fitting
5. O--ring
6. O--ring
7. Hydraulic fitting
8. O--ring
9. O--ring
10. Hydraulic fitting
11. O-- ring
12. Hose connector
13. 90
o
hydraulic fitting
14. O--ring
15. Hydraulic T fitting
16. Hydraulic fitting
17. Fitting cap
18. Hydraulic fitting
19. Cap screw
20. Flat washer
21. Clamp
22. Roll pin
23. Piston pump
24. Gear pump
25. Coupler
26. O--ring
27. Spacer
28. Cap screw
29. Washer
Figure 41
1
4
20
19
7
10
12
17
16
15
13
8
9
8
11
5
2
2
3
3
14
6
3
21
18
5
25
24
26
23
27
29
28
85 to 95 ft--lb
21
22
(115 to 128 N--m)
FRONT
RIGHT

Table of Contents

Other manuals for Toro 30410

Related product manuals