EasyManua.ls Logo

Toro 30410 - Planetary Wheel Drive Assembly

Toro 30410
250 pages
Print Icon
To Next Page IconTo Next Page
To Next Page IconTo Next Page
To Previous Page IconTo Previous Page
To Previous Page IconTo Previous Page
Loading...
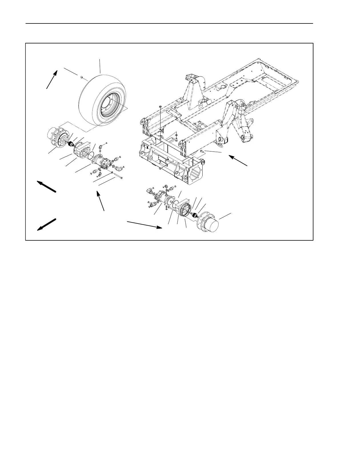
Groundsmaster 4000−DPage 6 − 8Axles, Planetaries, and Brakes (Rev. B)
Planetary Wheel Drive Assembly
1. Planetary assembly
2. Retaining ring
3. Splined brake shaft
4. Brake assembly (RH)
5. O−ring
6. Hydraulic wheel motor
7. Flat washer
8. Cap screw
9. Flange head screw
10. Brake assembly (LH)
11. Gasket
12. Flange head screw
13. Tire and wheel assembly
14. Lug nut
Figure 5
1
2
3
2
4
5
6
8
6
9
10
12
13
7
5
1
FRONT
RIGHT
75 to 85 ft−lb
(101 to 115 N−m)
14
85 to 100 ft−lb
(115 to 135 N−m)
11
11
3
75 to 85 ft−lb
(101 to 115 N−m)
2
2

Table of Contents

Other manuals for Toro 30410

Related product manuals