EasyManua.ls Logo

Toro 30410 - Test No. 10: Counterbalance Pressure

Toro 30410
250 pages
Print Icon
To Next Page IconTo Next Page
To Next Page IconTo Next Page
To Previous Page IconTo Previous Page
To Previous Page IconTo Previous Page
Loading...
Groundsmaster 4000--DHydraulic System (Rev. B) Page 4 -- 42
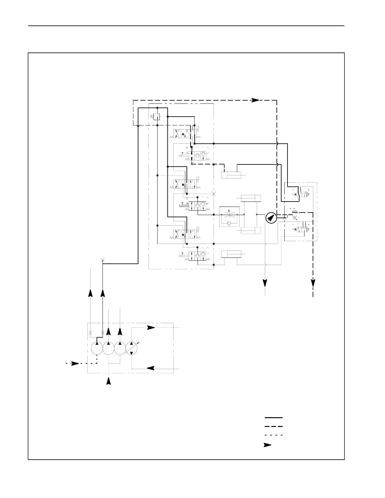
TEST NO. 10: Counterbalance Pressure (Using Pressure Gauge)
High Pressure
Low Pressure
Return or Suction
Flow
G
G
1.2
470
PSI
1.2
FRONT
DECK
LIFT
CB
A2
C2
O
I
LIFT/LOWER
CONTROL VALVE
A
B
C
D
E
F
1500
PSI
CYL3
CYL4
LH WING
DECK LIFT
C1
A1
CHG
.58
2.48
RH WING
DECK LIFT
CYL2
CYL1
TO PTO (MOW) CIRCUIT
RESERVOIR
FROM
FROM OIL
FILTER
TO STEERING CIRCUIT
TRACTION
CIRCUIT
RESERVOIR
TO
CHARGE
CIRCUIT

Table of Contents

Other manuals for Toro 30410

Related product manuals