EasyManua.ls Logo

Toro 30410 - Engine Wire Harness

Toro 30410
250 pages
Print Icon
To Next Page IconTo Next Page
To Next Page IconTo Next Page
To Previous Page IconTo Previous Page
To Previous Page IconTo Previous Page
Loading...
Page 9 - 13
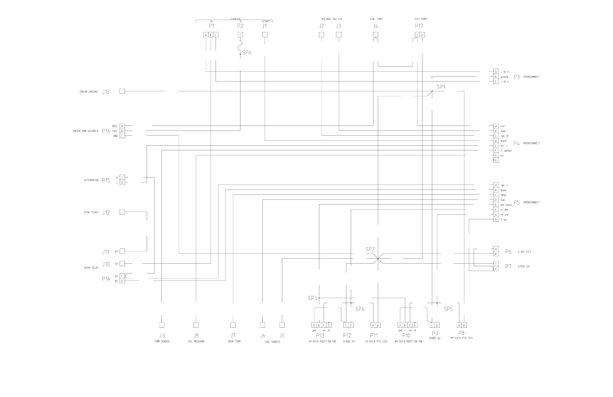
BLACK
RED/BLACK
WHITE
BLACK
YELLOW
WHITE
WHITE
BLUE
RED
RED
RED
ORANGE
RED
YELLOW
YELLOW
BROWN
GRAY
GREEN
BLUE
WHITE
BLACK
ORANGE
BLACK
BLACK
VIOLET/BLACK
VIO/BLK
VIO/BLK
VIO/BLK
BLACK
ORANGE
ORANGE
BLACKBLACK
BLACK
BLACK
BLACK
BLACK
GREEN
BLACK
YEL/BLK
YELLOW/BLACK
YEL/BLK
BLACK
YEL/BLk
BLACK
RED/BLACK
PINK
BLUE
ORANGE
WHITE
GRAY
YELLOW/BLACK
YELLOW
BROWN
BLUE
WHITE
ORANGE
VIOLET/BLACK
YELLOW/BLACK
RED
RED
BLACK
BLACKBLACK
BLACK
BLACK
BLACK
RED/BLACK
RED/BLACK
RED/BLACK
RED/BLACK
PINK
ORANGE
LINK
FUSIBLE
(+) (−)
Groundsmaster 4000−D
Engine Wire Harness
GREEN

Table of Contents

Other manuals for Toro 30410

Related product manuals