EasyManua.ls Logo

Toro 30410 - Test No. 6: Cutting Deck Motor Case Drain Leakage

Toro 30410
250 pages
Print Icon
To Next Page IconTo Next Page
To Next Page IconTo Next Page
To Previous Page IconTo Previous Page
To Previous Page IconTo Previous Page
Loading...
Groundsmaster 4000--DHydraulic System (Rev. B) Page 4 -- 34
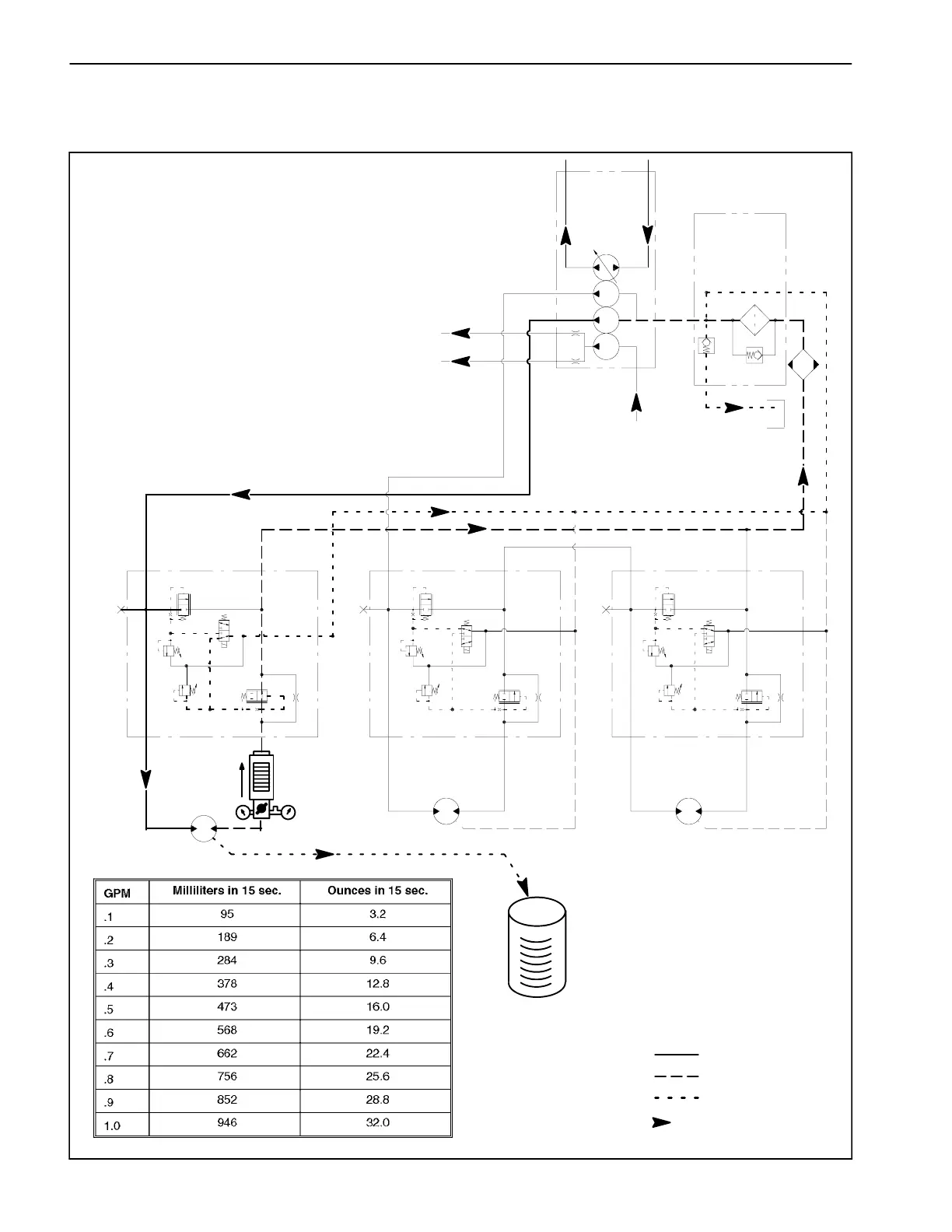
TEST NO. 6: Cutting Deck Motor Case Drain Leakage
(Using Tester with Pressure Gauges and Flow Meter)
Working Pressure
Low Pressure
Return or Suction
Flow
T
P1
P2
G
G
G
CD
1.2
1.17
40
PSI
1.2
RH DECK
MOTOR
LH DECK
MOTOR
1.17
MP
P1
PSI
R1BY
2000
PSI
R1BR
600
MR
BR1
OR1
.063
SV1
BY1
P2
CD
CD
P2
BY1
SV1
.063
OR1
BR1
MR
600
R1BR
PSI
3000
R1BY
PSI
P1
MP
PSI
PSI
MR
MP
P1
P2
CD
SV1
R1BY
3000
BY1
OR1
.063
BR1
R1BR
600
.58
FRONT DECK
MOTOR
FILTER
2.48
OIL
COOLER
5 PSI
1.17
TO LIFT/LOWER CIRCUIT
RESERVOIR
TO STEERING CIRCUIT
TRACTION
CIRCUIT
FROM
MEASURING
CONTAINER

Table of Contents

Other manuals for Toro 30410

Related product manuals