EasyManua.ls Logo

Toro 30410 - Page 241

Toro 30410
250 pages
Print Icon
To Next Page IconTo Next Page
To Next Page IconTo Next Page
To Previous Page IconTo Previous Page
To Previous Page IconTo Previous Page
Loading...
Page 9 - 9
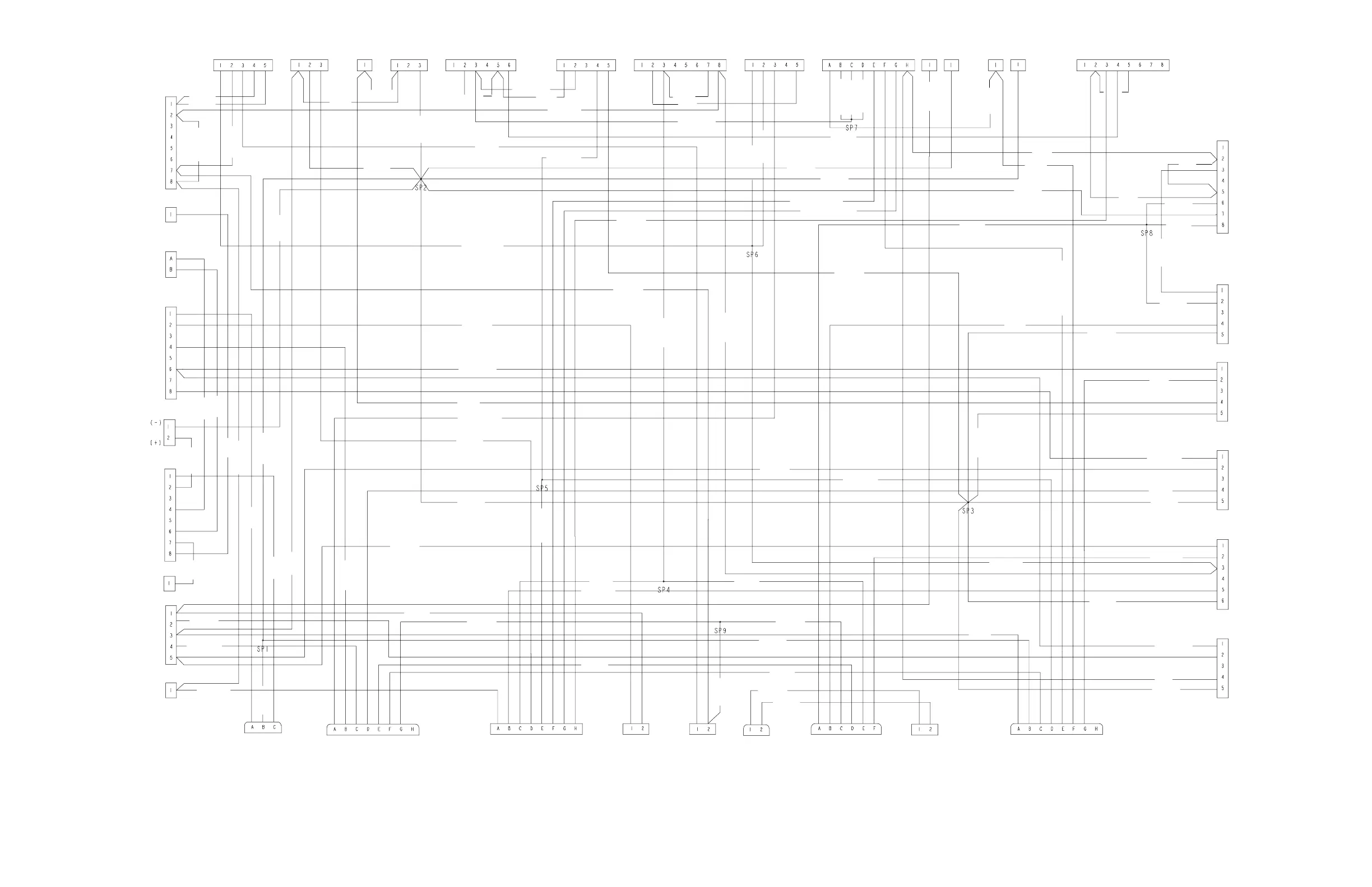
TAN
CRUISE
SWITCH
P23
CRUISE
RELAY
P24
TAN
TAN
TAN
TAN
TAN
TAN
TAN
GRAY
GRAY
GRAY
GRAY
WHITE
WHITE
PINK
PINK
PINK
PINK
YELLOW
YELLOW
YELLOW
YELLOW
YELLOW
PINK
YELLOW
YELLOW
PINK
YELLOW
PINK
RED
RED
RED
RED
RED
BLACK
BLACK
BLACK
GREEN
GREEN
GREEN
GREEN
ORANGE
BLUE
BLUE
BLUE
BLACK
BLACK
BLACK
YELLOW
YELLOW
WHITE
YELLOW
YELLOW
YELLOW
WHITE
BLUE
WHITE
BLACK
BLUE
BLACK
WHITE
GRAY
BLUE
BLUE
BLACK
ORANGE
BLACK
ORANGE
VIOLET
VIOLET/BLACK
YELLOW/BLACK
GREEN/BLACK
BLACK
YELLOW
ORANGE
BLACK
YELLOW
BLUE
BLACK
GREEN
PINK
WHITE
GREEN
GREEN
BLUE
BROWN
ORANGE
BLACK
VIOLET
WHITE
GREEN
WHITE
RED/BLACK
BLACK
BLACK
ORANGE
GREEN
WHITE
RED
P28
P27
P26
P25 SHUTDOWN
ENGINE
RELAY
START
RELAY
GLOW
CONTROLLER
RELAY
SEAT
P2
P30
P1P33
P29
INTERCONNECT TO FRONT
INTERCONNECT TO FRONT
INTERCONNECT
SEAT SWITCH
OPTION #1
SEAT SWITCH
P32
OPTION #2
SEAT SWITCH
AUDIO ALARM
P5
P4
INTERCONNECT TO THE ENGINE
P3
J5
P6
P9
P7
SWITCH
IGNITION
OPTIONAL
FUSEBLOCK
POWER
POINT
FUSEBLOCK
P8
FUSEBLOCK
P31
P10
IMPLEMENTS
LIGHT
KIT
P11
SILENCE
ALARM
P13
P14
SILENCE ALARM
P15
J6
FUEL GAUGE
P16
HOUR METER
PTO SWITCH
P17
PTO RELAY
P18
P19 P21
HIGH TEMP OVERRIDE
P20
OVERRIDE SHUT DOWN
DIODE PACK CAPACITOR (1)
CAPACITOR (2)
J1 J2 J3 J4
4 WD SWITCH
P22
INTERCONNECT TO THE ENGINE
Groundsmaster 4000−D
Main Wire Harness
(Serial Numbers below 220999999)

Table of Contents

Other manuals for Toro 30410

Related product manuals