EasyManua.ls Logo

Trane Technologies Thermo King Advancer A360 - Page 150

Trane Technologies Thermo King Advancer A360
156 pages
Print Icon
To Next Page IconTo Next Page
To Next Page IconTo Next Page
To Previous Page IconTo Previous Page
To Previous Page IconTo Previous Page
Loading...
150
TK 61753-2-MM-EN
Refrigeration Diagrams
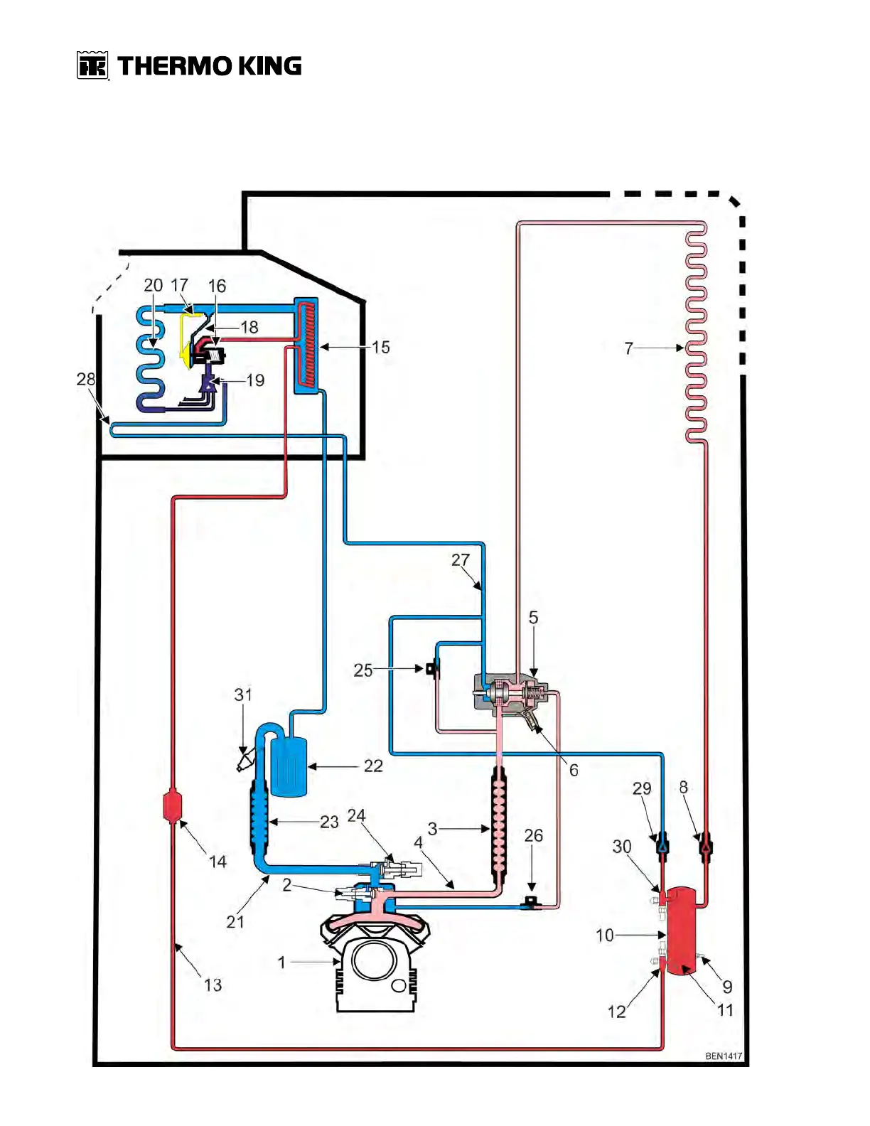
Cool Cycle

Table of Contents

Related product manuals