EasyManua.ls Logo

Upright TL33 - Page 53

Upright TL33
97 pages
Print Icon
To Next Page IconTo Next Page
To Next Page IconTo Next Page
To Previous Page IconTo Previous Page
To Previous Page IconTo Previous Page
Loading...
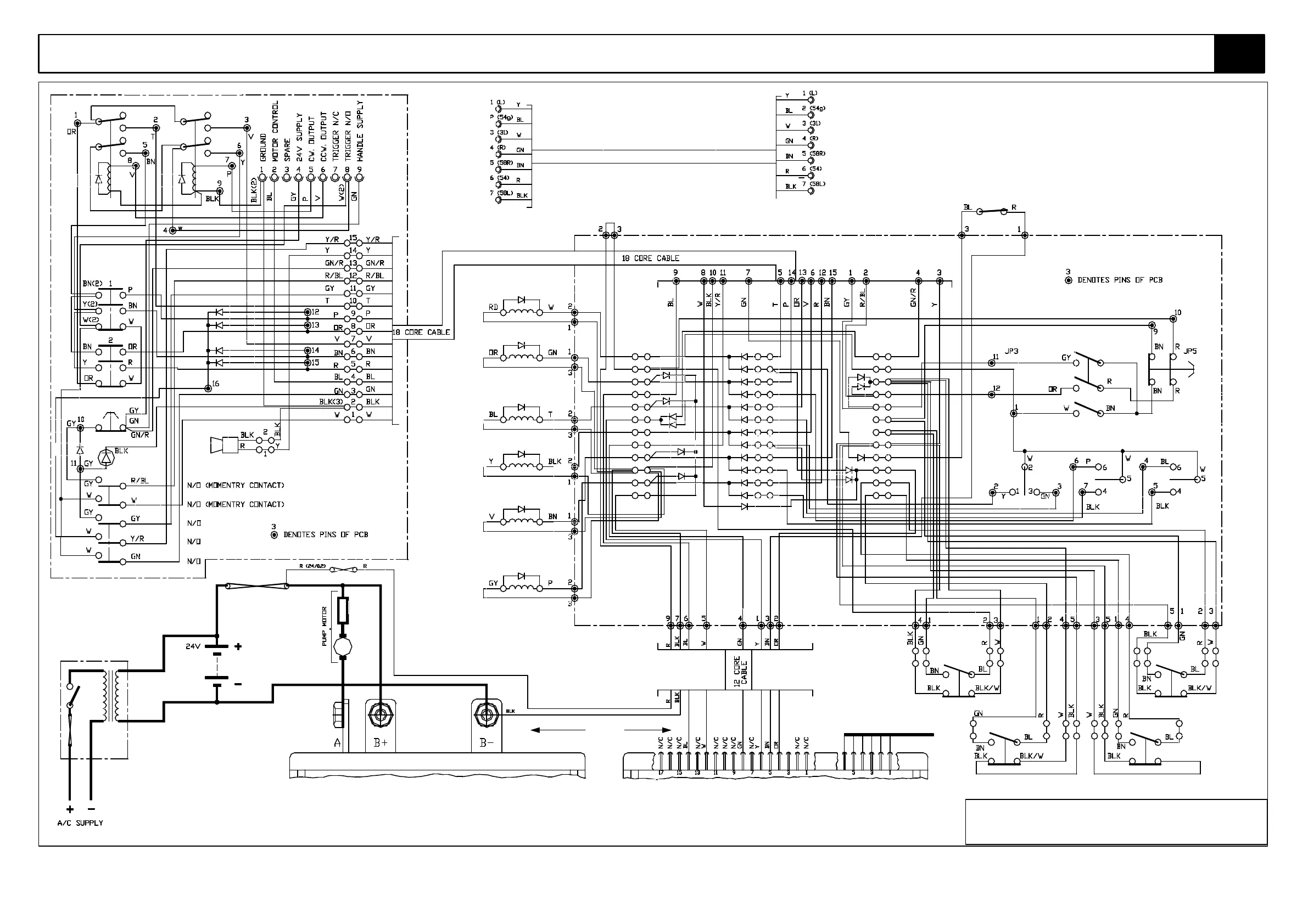
TL33 Work Platform 6-5a
Schematics
Section
6.1
Figure 6-1: Electric Schematic
SOL 6
I
SOL 5
I
SOL 4
I
SOL 3
I
SOL 2
I
SOL 1
I
D8
I
D29
I
BC1
SW5
ALM1
D7
I
BAT
FU1
FU2
SW6
SW7
SW4
MOT
RL1
I
RL2
I
D32
I
D34
I
D33
I
D31
I
JOYSTICK
PINS
D28
I
D27
I
D6
I
D5
I
D4
I
D3
I
UP 2
I
UP 1
I
L.H. FLASHER
FOG LIGHT
LOWER BOX
OPERATION
UPPER BOX
OPERATION
SLEW CUT-OUT
LIMIT SWITCH
L.H. TAIL LIGHTS &
NUMBER PLATE
JP 2
ADJUSTER /CALIBRATOR
LS4
LS2
LS3
R.H. FRONT
LS1
R.H. REAR
L.H. REAR
L.H. FRONT
JP 6
JP 4
JP 7
JP 5
SW3
SLEW
SW 8
KSW 1
SW 1
SW 2
KEY SWITCH
LOWER CONTROL BOX
R.H. TAIL LIGHT
R.H. FLASHER
EARTH
REAR LIGHTING TAILBOARD
SLEW R
I
SLEW L
I
DOWN 1
I
DOWN 2
I
A.C. SUPPLY
BATTERY CHARGER
CONTROL FUSE
I
7A
I
FUSE
I
BATTERY
I
ALARM
KEYSWITCH
LED1
EMERGENCY
STOP
EMERGENCY
STOP
SERIAL NUMBERS: 1001 TO 1132
CIRCUIT NO: 182/18381 REV F
UPPER CONTROL BOX
M.C.U
1
3
5
7
9
11
13
15
17
PINS
L.H. FLASHER
FOG LIGHT
L.H. TAIL LIGHTS &
NUMBER PLATE
STOP LIGHTS
STOP LIGHTS
R.H. TAIL LIGHT
R.H. FLASHER
JP14
LS5
JP13
JP10
JP8
JP12
JP11
JP9
JP1
JP15
EARTH
D9
I
D36
I
D35
I
D26
I
D25
I
D21
D20
D19
D24
D23
D13
I
D22
D18
D16
D14
D17
I
D15
D12
I
D11
I
D10
I
D2
D1
I
D37
I
D30
I

Table of Contents

Related product manuals