EasyManua.ls Logo

Upright TL33 - Slew Cut-Out Limit Switch

Upright TL33
97 pages
Print Icon
To Next Page IconTo Next Page
To Next Page IconTo Next Page
To Previous Page IconTo Previous Page
To Previous Page IconTo Previous Page
Loading...
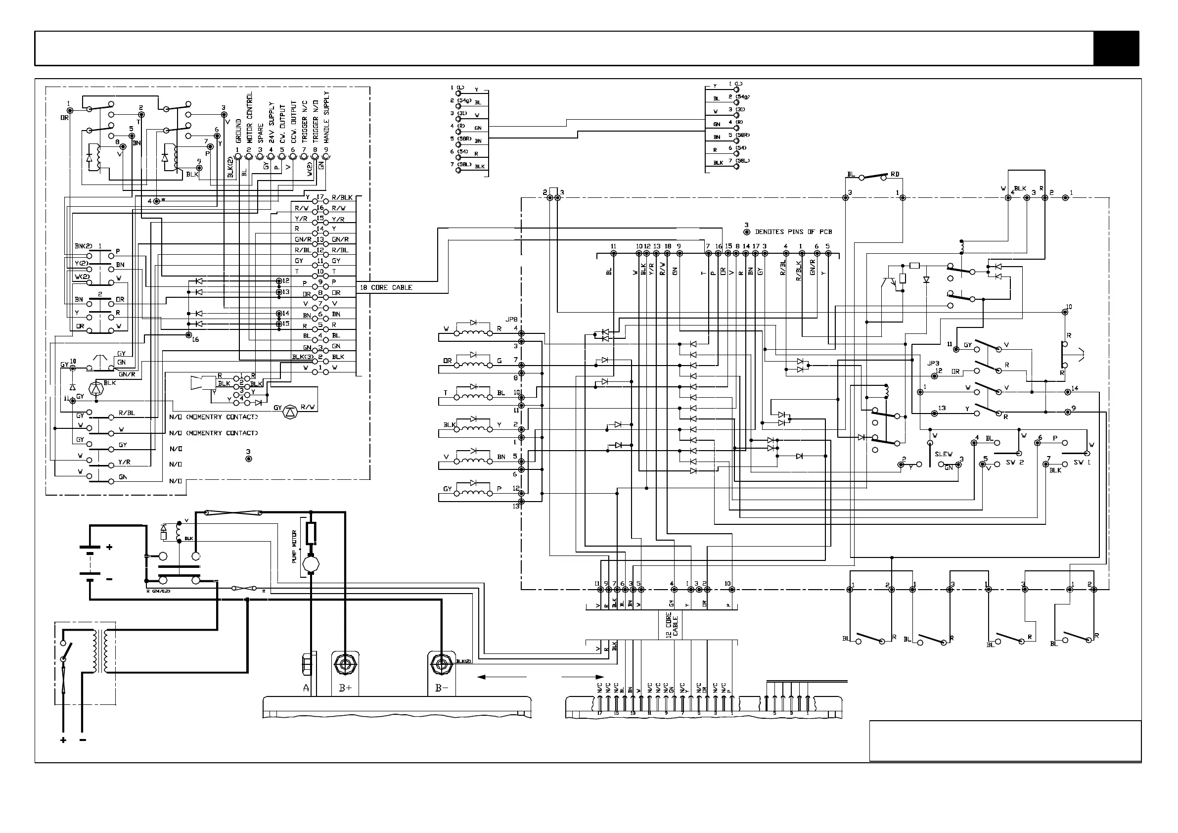
TL33 Work Platform 6-5b
Schematics
Section
6.1
Figure 6-1: Electric Schematic
D10
I
D17
I
D18
I
D19
I
D21
I
D20I
D22
I
D23
I
D24
I
D16
I
D11
I
D48
I
D40
I
D2
I
D1
I
SOL 6
I
SOL 5
I
SOL 4
I
SOL 3
I
SOL 2
I
SOL 1
I
D8
I
SW6
D7
I
FU1
LC1
FU2
BAT
BC1
MOT
RL1
I
RL2
I
D39
I
D41
I
D40
I
D38
I
D36
I
SW7
D9
I
ALM1
LED1
JOYSTICK
PINS
SW8
SW5
D35
I
D34
I
D6
I
D5
I
D4
I
D3
I
UP 2
I
UP 1
I
L.H. FLASHER
FOG LIGHT
LOWER BOX
OPERATION
UPPER BOX
OPERATION
SLEW CUT-OUT
LIMIT SWITCH
L.H. TAIL LIGHTS &
NUMBER PLATE
TILT SENSOR (OPTION)
TS1
JP 2
ADJUSTER /CALIBRATOR
LS1LS2LS3LS4
R.H. FRONT
R.H. REARL.H. REARL.H. FRONT
JP 6
JP 4 JP 7 JP 5
SLEW
SW3
SW 1
SW 4
KSW 1
SW 2
KEY SWITCH
LOWER CONTROL BOX
R.H. TAIL LIGHT
R.H. FLASHER
EARTH
REAR LIGHTING TAILBOARD
SLEW R
I
SLEW L
I
DOWN 1
I
DOWN 2
I
A.C. SUPPLY
BATTERY CHARGER
CONTROL FUSE
I
LINE
CONTACTOR
7A
I
FUSE
I
24V
BATTERY
I
BATTERY
INDICATOR
DENOTES PINS OF P.C.B.
ALARM
KEYSWITCH
LED2
EMERGENCY
STOP
EMERGENCY
STOP
SERIAL NUMBERS: 1133 TO 1330
CIRCUIT NO: 182/18405 REV E
UPPER CONTROL BOX
M.C.U
1
3
5
7
9
11
13
15
17
PINS
D42
I
L.H. FLASHER
FOG LIGHT
L.H. TAIL LIGHTS &
NUMBER PLATE
STOP LIGHTS
STOP LIGHTS
18 CORE CABLE
R.H. TAIL LIGHT
R.H. FLASHER
K2
JP9
K1
JP14 LS5
JP1
JP15
EARTH
D15
I
D14
7
D13
I
D12
I
D26
I
D25
I
D27
I
D44
I
D43
I
D30
I
D29
I
D32
I
D33
I
D31
I
D28
I

Table of Contents

Related product manuals