EasyManua.ls Logo

Upright TL33 - Page 58

Upright TL33
97 pages
Print Icon
To Next Page IconTo Next Page
To Next Page IconTo Next Page
To Previous Page IconTo Previous Page
To Previous Page IconTo Previous Page
Loading...
TL33 Work Platform 6-8
Schematics
Section
6.2
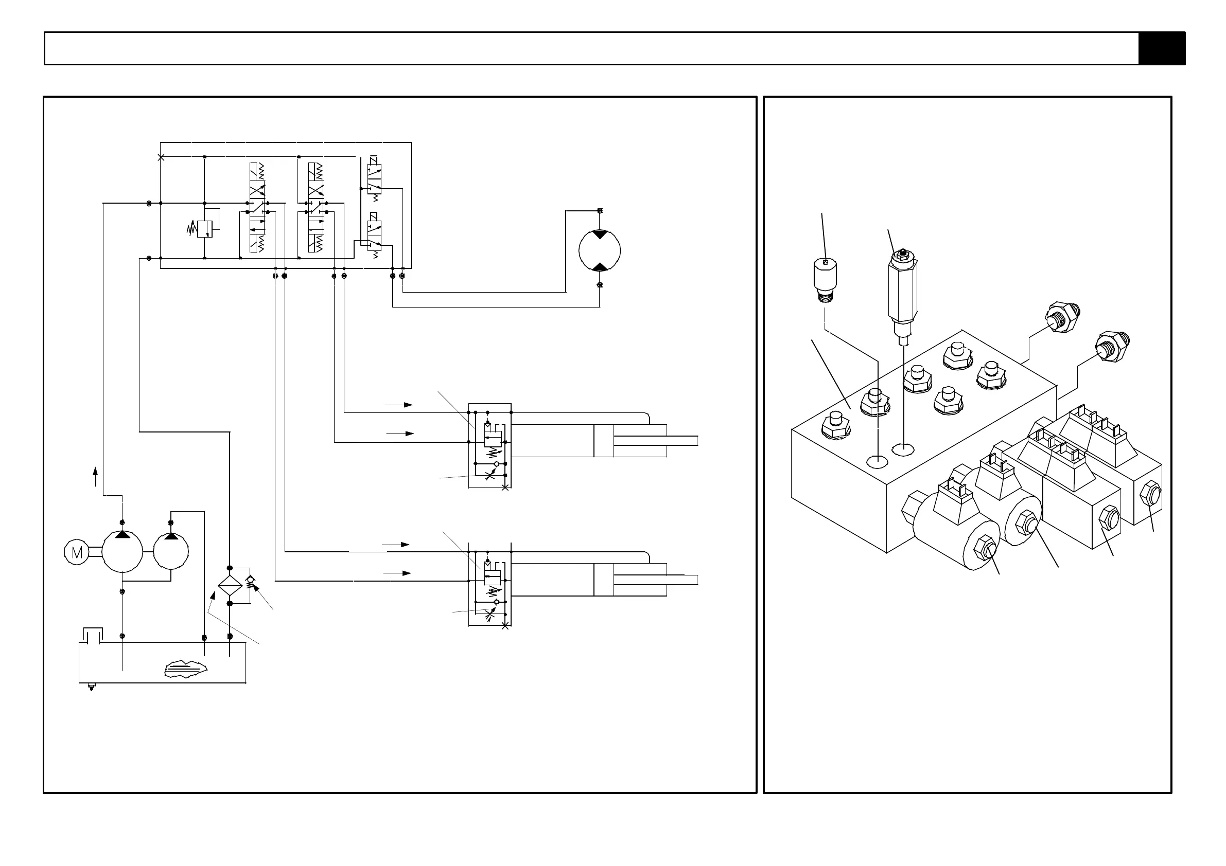
Figure 6-2: Hydraulic Schematic Figure 6-3: Main Hydraulic Manifold
V6
MMB
PRV
V3
V4
V2
2030 P.S.I.
(140 bar)
V1
V5
V6
V5
V4
V3
T
M2
M1
P
PRV
PTP
C3
C1
C2
C4
MMB
MOT1
CYL2
CYL1
LIFT CYLINDER BOOM 1
LIFT CYLINDER BOOM 2
MAX. FLOW RATE 13 LITRES
/ MIN.
@ 100% SPEED.
NOTE: ACTUAL FLOW RATE
DEPENDS ON LOAD & ON
D.C. MOTOR SPEED .
FILTER
BYPASS
1.7Bar
T
P
V2
V1
MOTOR/
PUMP
UNIT
MP
FL1
10 MICRON
M1M1C3C4
Factory set at 175 bar
Pilot Ratio 3:1
Factory set at 175 bar
Pilot Ratio 3:1
UP
DOWN
C1C2
UP
DOWN

Table of Contents

Related product manuals