EasyManua.ls Logo

Vectrix VX-2 2011 - Page 84

Vectrix VX-2 2011
99 pages
Print Icon
To Next Page IconTo Next Page
To Next Page IconTo Next Page
To Previous Page IconTo Previous Page
To Previous Page IconTo Previous Page
Loading...
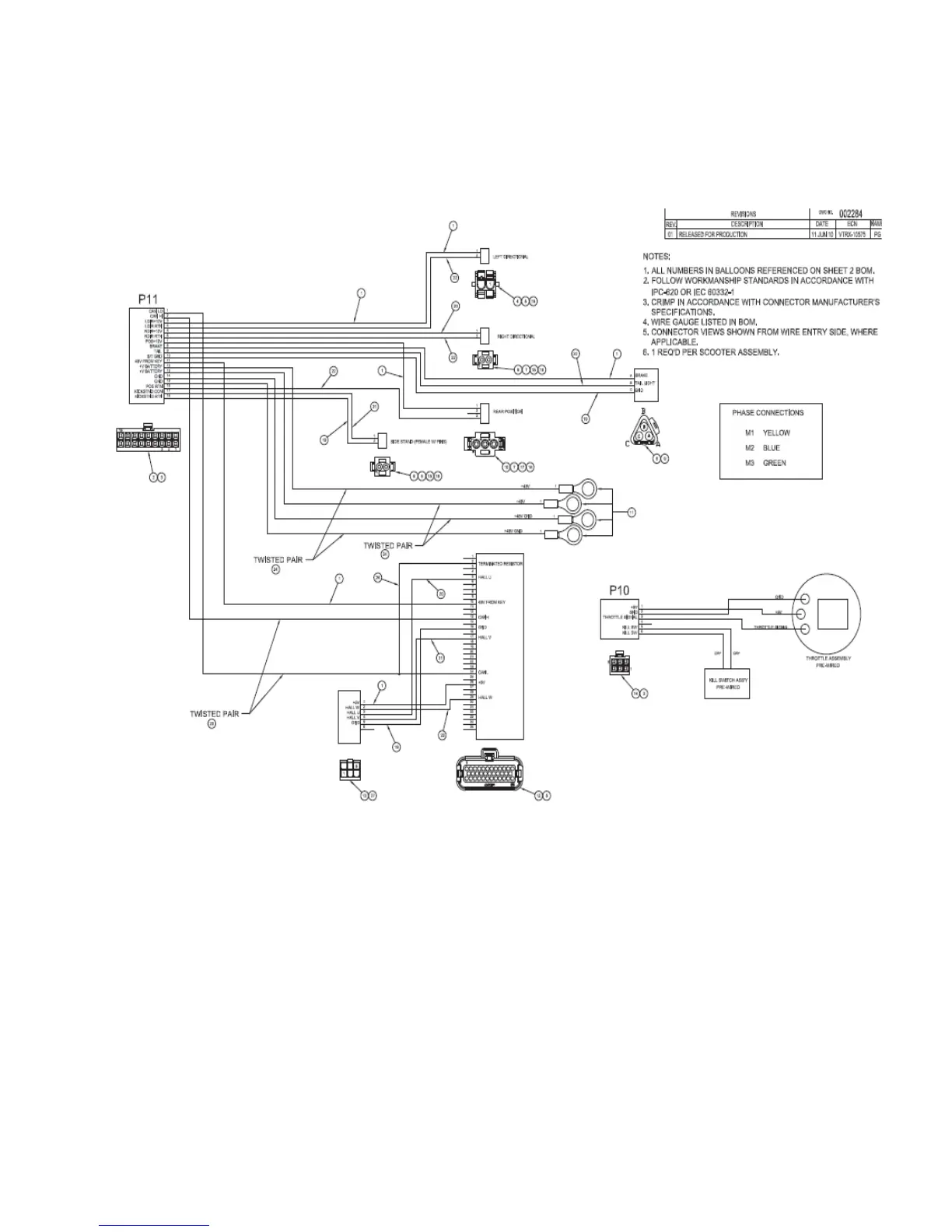
VECTRIX VX-2 SERVICE MANUAL
SECTION F-3:
CABLE ASSEMBLY-REAR BRAKE/INDICATORS/TAIL LIGHT/BATTERY/SIDE
STAND + BOM
Version 1.0/May 2011
VECTRIX, LLC

Related product manuals