EasyManua.ls Logo

WAGNER NESPRAY PLUS - Schema Dei Collegamenti Elettrici del Tamburo Per Il Tubo Flessibile DI Riscaldamento

WAGNER NESPRAY PLUS
Print Icon
To Next Page IconTo Next Page
To Next Page IconTo Next Page
To Previous Page IconTo Previous Page
To Previous Page IconTo Previous Page
Loading...
129
NESPRAY PLUS
RIPARAZIONE DELLAPPARECCHIO
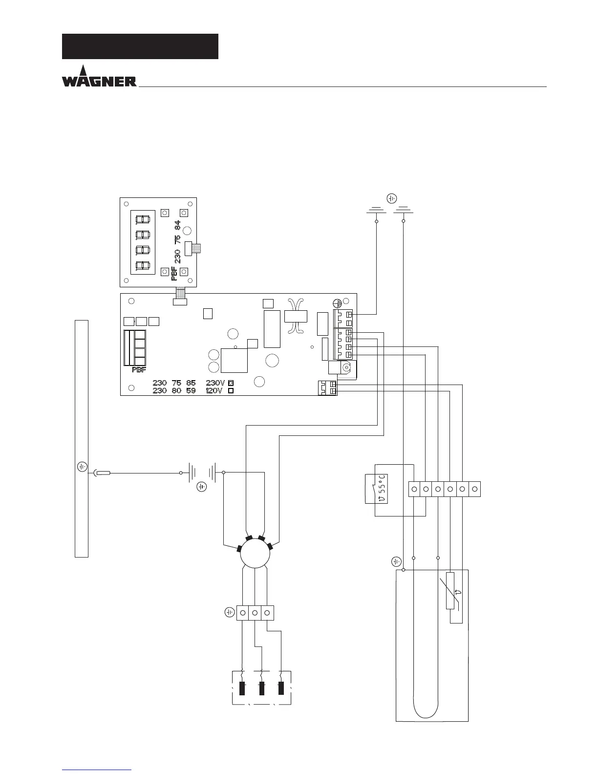
12.12 SCHEMA DEI COLLEGAMENTI ELETTRICI DEL TAMBURO PER IL TUBO FLESSIBILE DI RISCALDAMENTO
NTC
HEIZL
N
L1
ERDE2
ERDE1
HEIZN
REGOLATORE DEL RISCALDAMENTO
20°C - 60°C
COPERTURA FRONTALE
SCATOLA
TAMBURO
VERDE/GIALLO
VERDE/GIALLO
NERO
BLU
MORSETTO
SPINA DI RETE
230V / 50 Hz
VERDE/GIALLO
BLU
MARRONE
VERDE/GIALLO
BLU
NERO
CORPO DELL'ANELLO COLLETTORE
SENSORE DI
TEMPERATURA NTC
MORSETTO
ROSSO
ROSSO
MARRONE
MARRONE
MARRONE
MARRONE
VERDE/GIALLO
VERDE/GIALLO
SCATOLA
TAMBURO
TERMOSTATO
PASSANTE DEL FILO DI RISCALDAMENTO
I

Table of Contents

Related product manuals