EasyManua.ls Logo

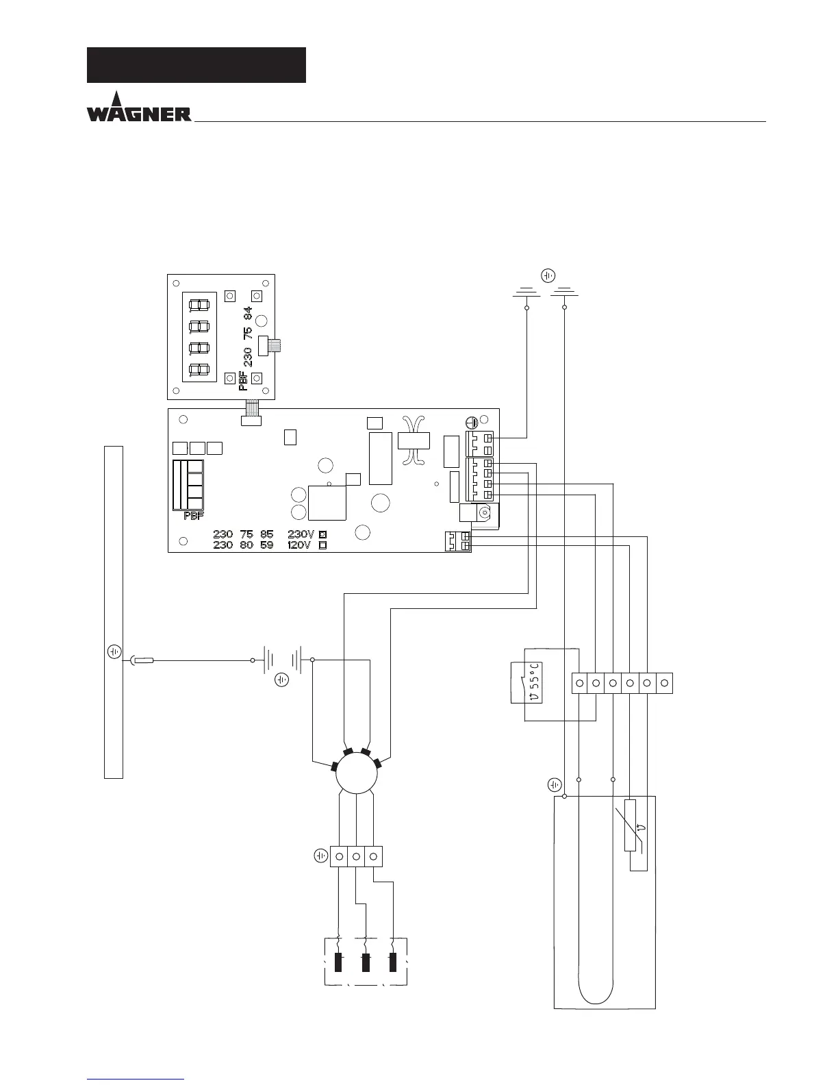
WAGNER NESPRAY PLUS - Circuit Diagram for Heating Hose Drum

WAGNER NESPRAY PLUS
Print Icon
To Next Page IconTo Next Page
To Next Page IconTo Next Page
To Previous Page IconTo Previous Page
To Previous Page IconTo Previous Page
Loading...
59
NESPRAY PLUS
REPAIRS AT THE UNIT
NTC
HEIZL
N
L1
ERDE2
ERDE1
HEIZN
HEATING CONTROL
20°C - 60°C
FRONT COVER
REEL
HOUSING
GREEN/YELLOW
BLACK
BLUE
TERMINAL
POWER CORD
230V / 50 Hz
GREEN/YELLOW
BLUE
BROWN
BLUE
BLACK
SLIP RING ASSEMBLY
NTC TEMPERATURE
SENSOR
TERMINAL
RED
RED
BROWN
BROWN
BROWN
BROWN
GREEN/YELLOW
GREEN/YELLOW
REEL
HOUSING
OVERHEATING CONTROL
HEATING WIRE LOOP
12.12 CIRCUIT DIAGRAM FOR HEATING HOSE DRUM
GB

Table of Contents

Related product manuals