EasyManua.ls Logo

Wallenstein P3 PULSE WP1624 - Components of the Machine

Wallenstein P3 PULSE WP1624
76 pages
Print Icon
To Next Page IconTo Next Page
To Next Page IconTo Next Page
To Previous Page IconTo Previous Page
To Previous Page IconTo Previous Page
Loading...
WP1624
Firewood Processor
Familiarization
21
1
2
3
4
6
5
7
8
9
10
12
11
13
14
15
16
17
18
19
27
29
26
25
28
22
23
24
20
21
00291
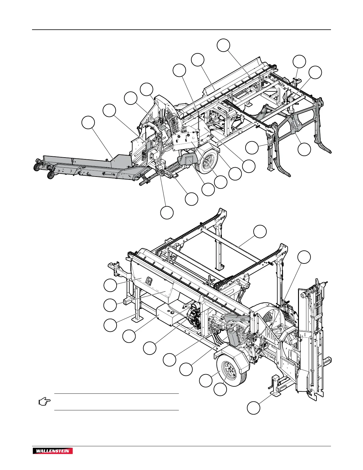
1. Integrated Conveyor
(optional)
2. Splitting Wedge Assembly
3. Block Dropper
4. Chain Saw
5. Safety Whip
6. Infeed Conveyor
7. Infeed Conveyor Chain
8. Adjustable Trailer Hitch
9. Crank Jack
Fig. 9 – WP1624 Components
10. Log Lifter Shelf (optional)
11. Live Deck Supports
12. Hydraulic Oil Reservoir
Cover
13. Manual Tube
14. Operator Control Panel
15. Operator Seat Accessory
16. Crank Jack
17. Conveyor Hydraulic Control
Valve (optional)
18. Live Deck
19. Block Dropper and Log Stop
Guide
20. Crank Jack
21. Axle – Full Flex; 4000 lb;
Electric Brakes
22. Tires – ST205/75R15 LRD
23. Chain Saw Oil Reservoir
24. Top Roller Assembly
25. Engine – Kohler CH752
26. Fuel tank
27. Crank Jack
28. Battery
29. Tool Box
4.1 Components of the Machine
Some components shown are accessories or
optional equipment.

Table of Contents

Related product manuals