EasyManua.ls Logo

Windhager FireWIN - Firewin Basic Circuitry

Windhager FireWIN
52 pages
Print Icon
To Next Page IconTo Next Page
To Next Page IconTo Next Page
To Previous Page IconTo Previous Page
To Previous Page IconTo Previous Page
Loading...
47
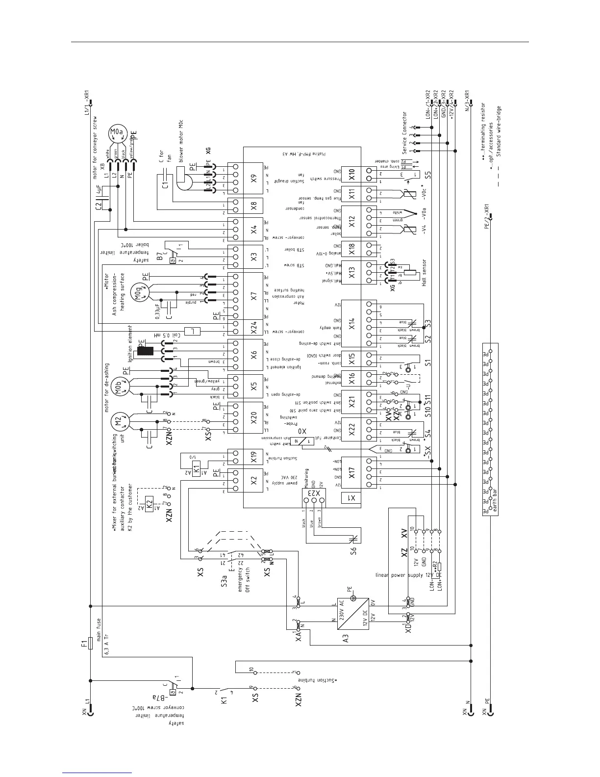
4. For the Service Technician
4.7 FireWIN basic circuitry
092464/01

Table of Contents

Other manuals for Windhager FireWIN

Related product manuals