EasyManua.ls Logo

Windhager FireWIN - 3.5 Ash pan, ash on heating surface

Windhager FireWIN
52 pages
Print Icon
To Next Page IconTo Next Page
To Next Page IconTo Next Page
To Previous Page IconTo Previous Page
To Previous Page IconTo Previous Page
Loading...
48
4. For the Service Technician
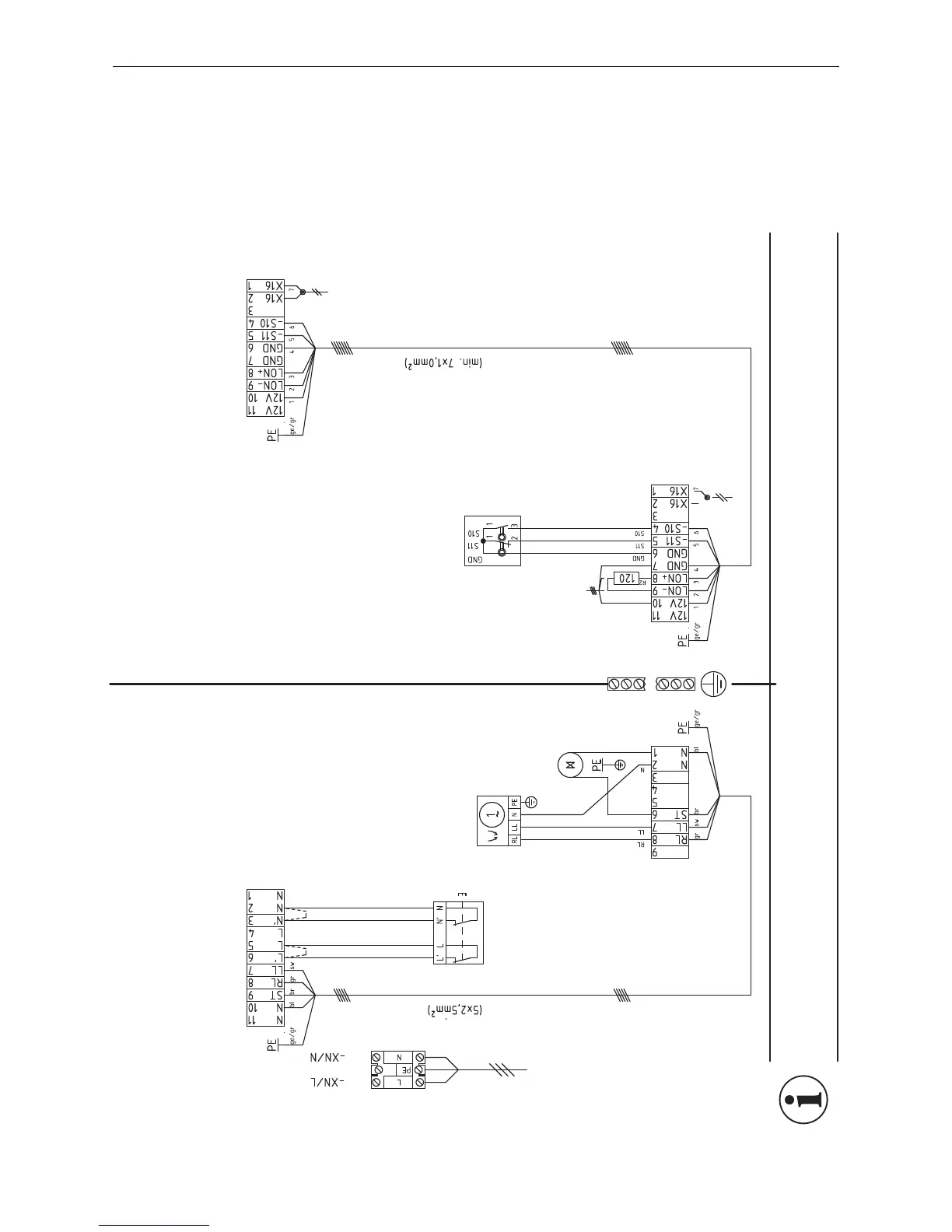
4.8 FireWIN pellet feed connecting diagram
091474/03
Low voltage 230 VAC Extra-low voltage - sensor
(Conn. from FireWIN)
(Conn. from FireWIN)
Terminal block
Safety devices -XS
Terminal block -XV
Mains connection 230 VAC
Conn. from FireWIN
Ribbon cable Fire (FIRE 042; FIRE 043)
**Emergency heating/OFF switch
Motor switching unit
Suction turbine M1
LON conn.
Connection expansion control
(Communication module)
INFOWIN-f
or service work
Limit switch switching unit
Conn. from FireWIN
Ribbon cable Fire (FIRE 042; FIRE 043)
External req. f. heat
*Suction turbine
terminal block-XZ
R2 = terminating resistor for 120 ohm LON bus
**…remove with wire-bridge connection
*…optional / accessory
*Suction turbine
terminal block-XZN
Information!
Two separate cables are required for connecting the pellet flue-connected boiler to the suction turbine – this is a requirement
of the guarantee conditions! Recommended accessories: Ribbon cable 5 x 2.5 mm
2
and 8 x 1 mm
2
; FIRE 042 or FIRE 043

Table of Contents

Other manuals for Windhager FireWIN

Related product manuals