EasyManua.ls Logo

WinGD W-X82 - Page 340

WinGD W-X82
548 pages
Print Icon
To Next Page IconTo Next Page
To Next Page IconTo Next Page
To Previous Page IconTo Previous Page
To Previous Page IconTo Previous Page
Loading...
Operation40033/A1
Winterthur Gas & Diesel Ltd.
6/ 21
WCH01167
2014
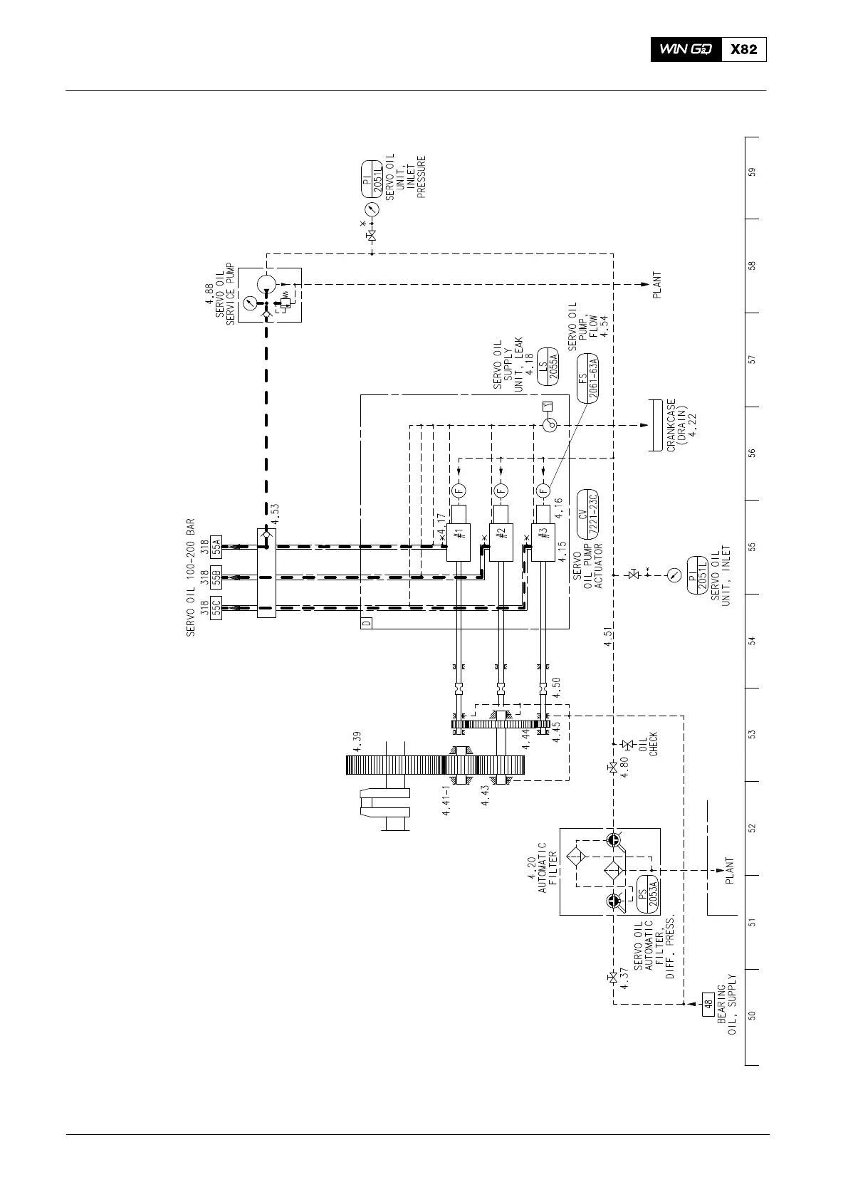
Servo Oil Supply 9-cylinders

Table of Contents

Related product manuals