EasyManua.ls Logo

wsm L503 - 2 Glide Shift Transmission (Gst) Model; Structure

wsm L503
619 pages
Print Icon
To Next Page IconTo Next Page
To Next Page IconTo Next Page
To Previous Page IconTo Previous Page
To Previous Page IconTo Previous Page
Loading...
3-M8
L3130 · L3430 · L3830 · L4630 · L5030, WSM
TRANSMISSION
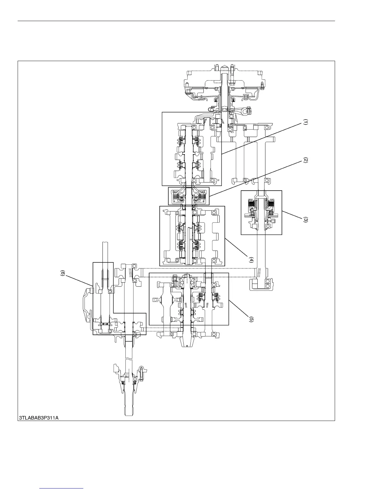
2. GLIDE SHIFT TRANSMISSION (GST) MODEL
[1] STRUCTURE
(1) Main Gear Shift Section
(2) Clutch Pack for GST
(3) PTO Clutch Section
(4) Shuttle Shift Section
(5) Range Gear Shift Section (6) Front Wheel Drive Shift
Section
KiSC issued 02, 2007 A

Table of Contents

Related product manuals