EasyManua.ls Logo

wsm L503 - Cabin Type

wsm L503
619 pages
Print Icon
To Next Page IconTo Next Page
To Next Page IconTo Next Page
To Previous Page IconTo Previous Page
To Previous Page IconTo Previous Page
Loading...
9-M34
L3130 · L3430 · L3830 · L4630 · L5030, WSM
ELECTRICAL SYSTEM
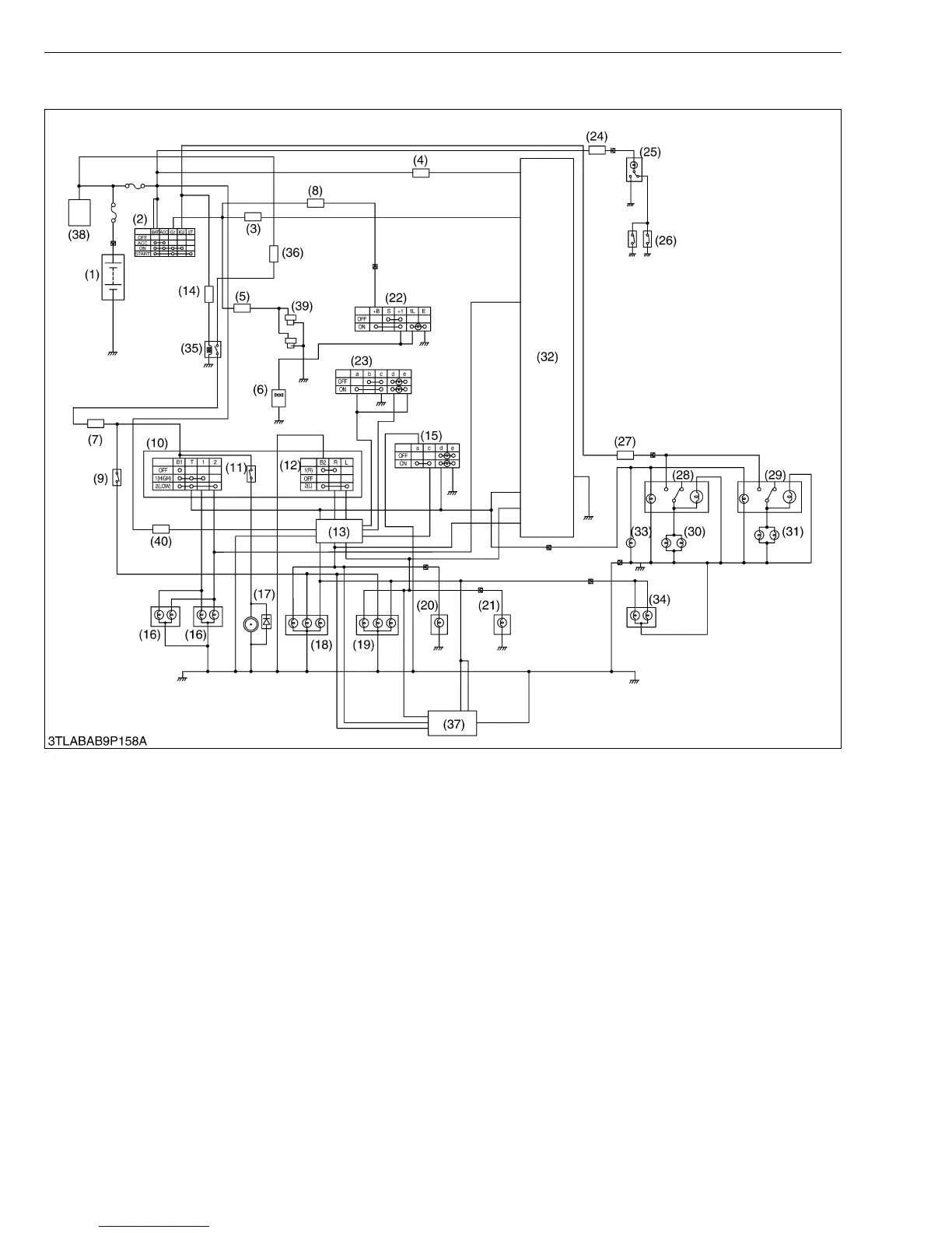
[2] CABIN TYPE
(1) Battery
(2) Main Switch
(3) Fuse (7.5 A)
(4) Fuse (5 A)
(5) Fuse (20 A)
(6) Patrol Lamp
(7) Fuse (20 A)
(8) Fuse (10 A)
(9) Brake Lamp Switch
(10) Head Light Switch
(11) Horn Switch
(12) Turn Signal Switch
(13) Flasher Unit
(14) Fuse (5 A)
(15) Hazard Switch
(16) Head Light
(17) Horn
(18) Rear Combination Lamp, RH
(19) Rear Combination Lamp, LH
(20) Turn Signal Light, RH
(21) Turn Signal Light, LH
(22) Patrol Lamp Switch
(23) Positin Switch
(24) Fuse (10 A)
(25) Room Lamp
(26) Door Switch
(27) Fuse (15 A)
(28) Working Light Switch, Front
(29) Working Light Switch, Rear
(30) Working Light, Front
(31) Working Light, Rear
(32) Electronic Instrument Panel
(IntelliPanel)
(33) License Plate Lamp
(34) Position Light
(35) Lamp Relay
(36) Fuse (45 A)
(37) Trailer Socket
(38) Alternator
(39) Working Light (Option)
(40) Fuse (7.5 A)
KiSC issued 02, 2007 A

Table of Contents