EasyManua.ls Logo

wsm L503 - Page 65

wsm L503
619 pages
Print Icon
To Next Page IconTo Next Page
To Next Page IconTo Next Page
To Previous Page IconTo Previous Page
To Previous Page IconTo Previous Page
Loading...
G-45
L3130 · L3430 · L3830 · L4630 · L5030, WSM
G GENERAL
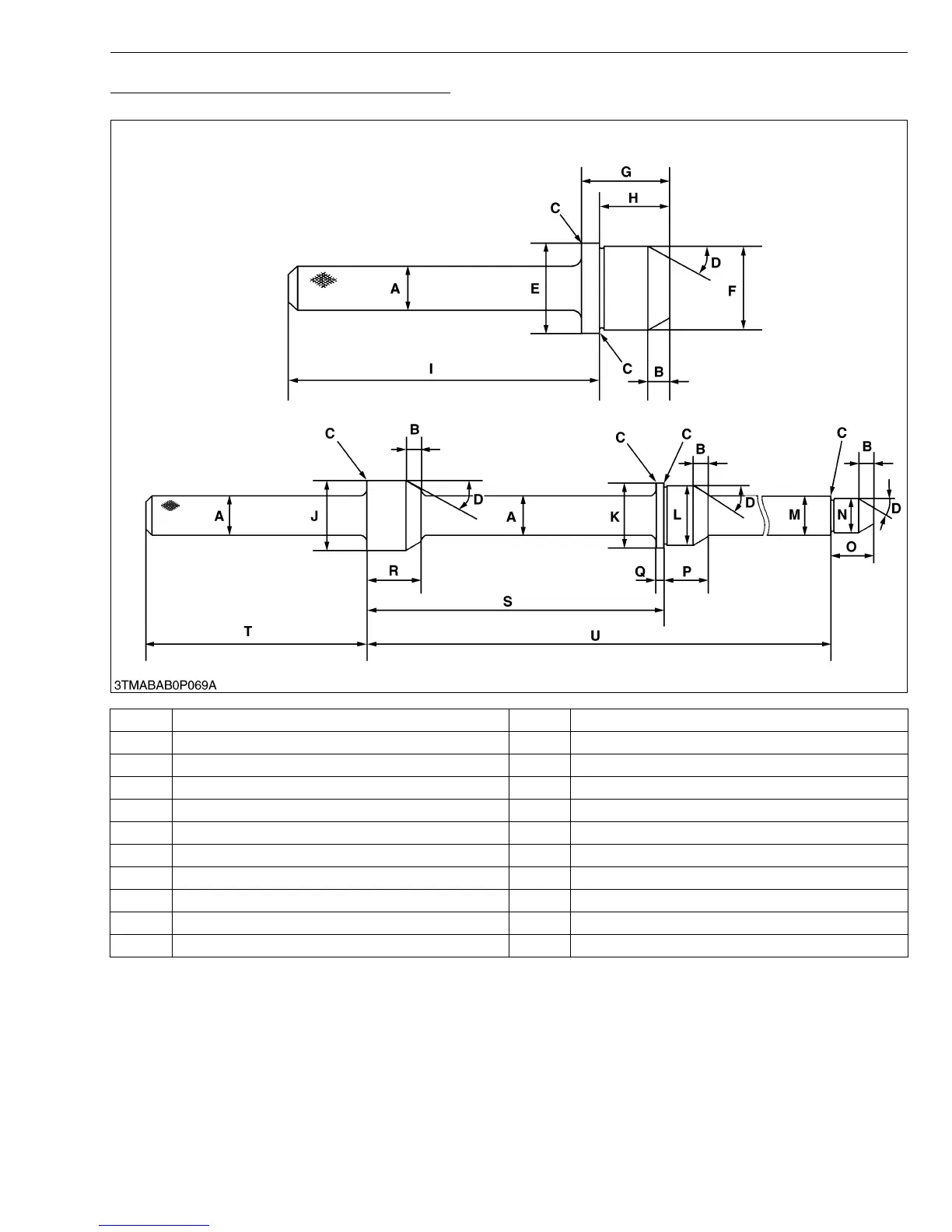
Balancer Metal Replacing Tool (for Removing)
Application: Use to remove the metal bearing.
A 25 mm (0.98 in. dia.) L 41.934 to 41.950 mm dia. (1.6509 to 1.6516 in. dia.)
B 10 mm (0.39 in.) M 24.959 to 24.980 mm dia. (0.9826 to 0.9835 in. dia.)
C Chamfer 0.3 mm (0.01 in.) N 21.947 to 21.960 mm dia. (0.8641 to 0.8646 in. dia.)
D 0.52 rad (30 °) O 28 mm (1.10 in.)
E 46.950 to 46.975 mm dia. (1.8484 to 1.8494 in. dia.) P 29 mm (1.14 in.)
F 43.934 to 43.950 mm dia. (1.7297 to 1.7303 in. dia.) Q 5 mm (0.20 in.)
G 41 mm (1.61 in.) R 36 mm (1.42 in.)
H 32.5 mm (1.28 in.) S 195.25 to 195.75 mm (7.687 to 7.707 in.)
I 148.5 mm (5.85 in.) T 145 mm (5.71 in.)
J 46.50 to 46.75 mm dia. (1.831 to 1.841 in. dia.) U 384.75 to 385.25 mm (15.148 to 15.167 in.)
K 44.950 to 44.975 mm dia. (1.7697 to 1.7707 in. dia.)
KiSC issued 02, 2007 A

Table of Contents

Related product manuals