EasyManua.ls Logo

Yamaha F25A - Page 280

Yamaha F25A
444 pages
Print Icon
To Next Page IconTo Next Page
To Next Page IconTo Next Page
To Previous Page IconTo Previous Page
To Previous Page IconTo Previous Page
Loading...
7-2
E
BRKT
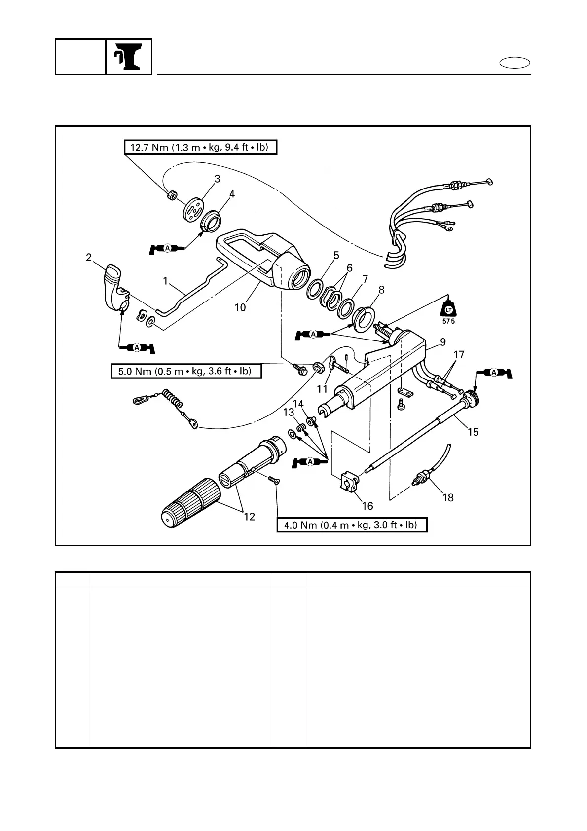
STEERING HANDLE
EXPLODED DIAGRAM
REMOVAL AND INSTALLATION CHART
Step Procedure/Part name Q’ty Service points
STEERING HANDLE
DISASSEMBLY
Follow the left “Step” for removal.
1 Shift link rod 1
2 Shift lever 1
3 Cable guide 1
4 Bushing 1
5 Plastic washer 1
6 Wave washer 2
7 Metal washer 1
8 Bushing 1
9 Tiller handle bracket 1

Table of Contents