EasyManua.ls Logo

Yamaha YZ250F(E) - Page 355

Yamaha YZ250F(E)
356 pages
Print Icon
To Next Page IconTo Next Page
To Next Page IconTo Next Page
To Previous Page IconTo Previous Page
To Previous Page IconTo Previous Page
Loading...
A
A
A
A
B
R R R R R R R B
B
B
R
R
R
Lg
Lg
B/W
B/Y
B/Y
B
B
B
P
P
P
Sb
B/L
P/B
P/B
Y
L
Y
L
L
G/W
Br/W
G/W
Br/W B/L
B/L
B/L
B/L
B/R
B/R
R/B
R/B
O
O
R
O
R
O
R
R
R
Sb
B
Gy
R
B/W
P L B/L
B/L Gy
B/LB/LB/LB/L B/LL LP PB B B B
4
1
32
5
6
7
8
10
9
12
11
13
14
15
16
17
P P
Sb
R B
B/R
R
RB
B/LGy
B
R
B/Y P
Sb
B B
R
R/B
L Y
B/L
B/W RLg
B/L
Br/W
B/L P/B L
B/L
G/W
B
B/Y
B
B/L B/L B/L B/L B/L B/L
B B B B R R
P P P L L L
R R R R R
B
O
P
Gy
R
B/Y Sb
P/B
R/B
Lg
B/R
G/W
Br/W
B/L L Y
R B
B/L
Gy
R
O
O
R
(BLACK) (BLACK)
B/W
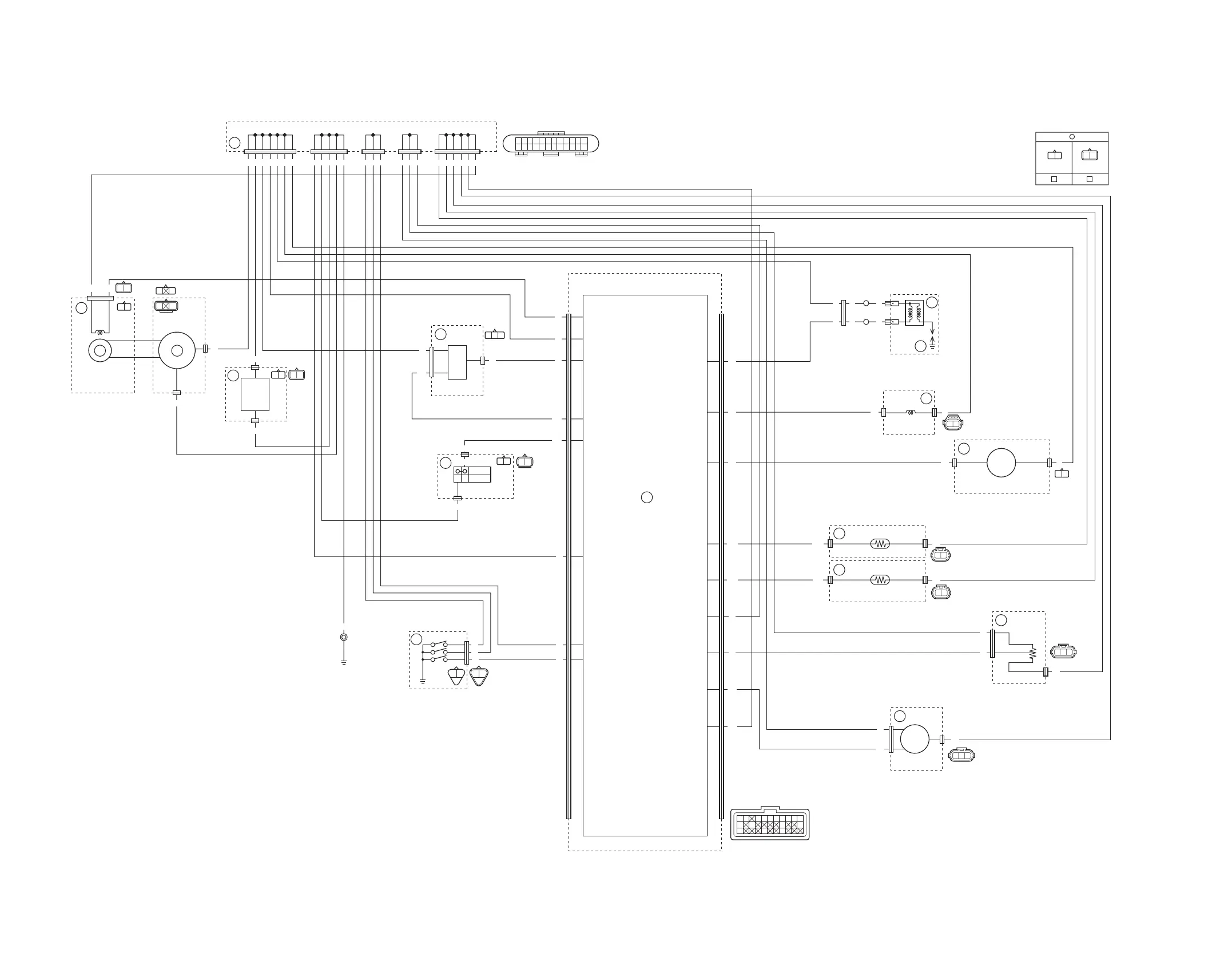
WIRING DIAGRAM
YZ250F (E) 2014
SCHÉMA DE CÂBLAGE
YZ250F (E) 2014
SCHALTPLAN
YZ250F (E) 2014
SCHEMA ELETTRICO
YZ250F (E) 2014
1SM-28199-30_W.D.indd 1 2013/09/03 11:24:21

Table of Contents