EasyManua.ls Logo

Yamaha YZ250F(E) - Page 356

Yamaha YZ250F(E)
356 pages
Print Icon
To Previous Page IconTo Previous Page
To Previous Page IconTo Previous Page
Loading...
A
A
A
A
B
(BLACK) (BLACK)
4
1
32
5
6
7
8
10
9
12
11
13
14
15
16
17
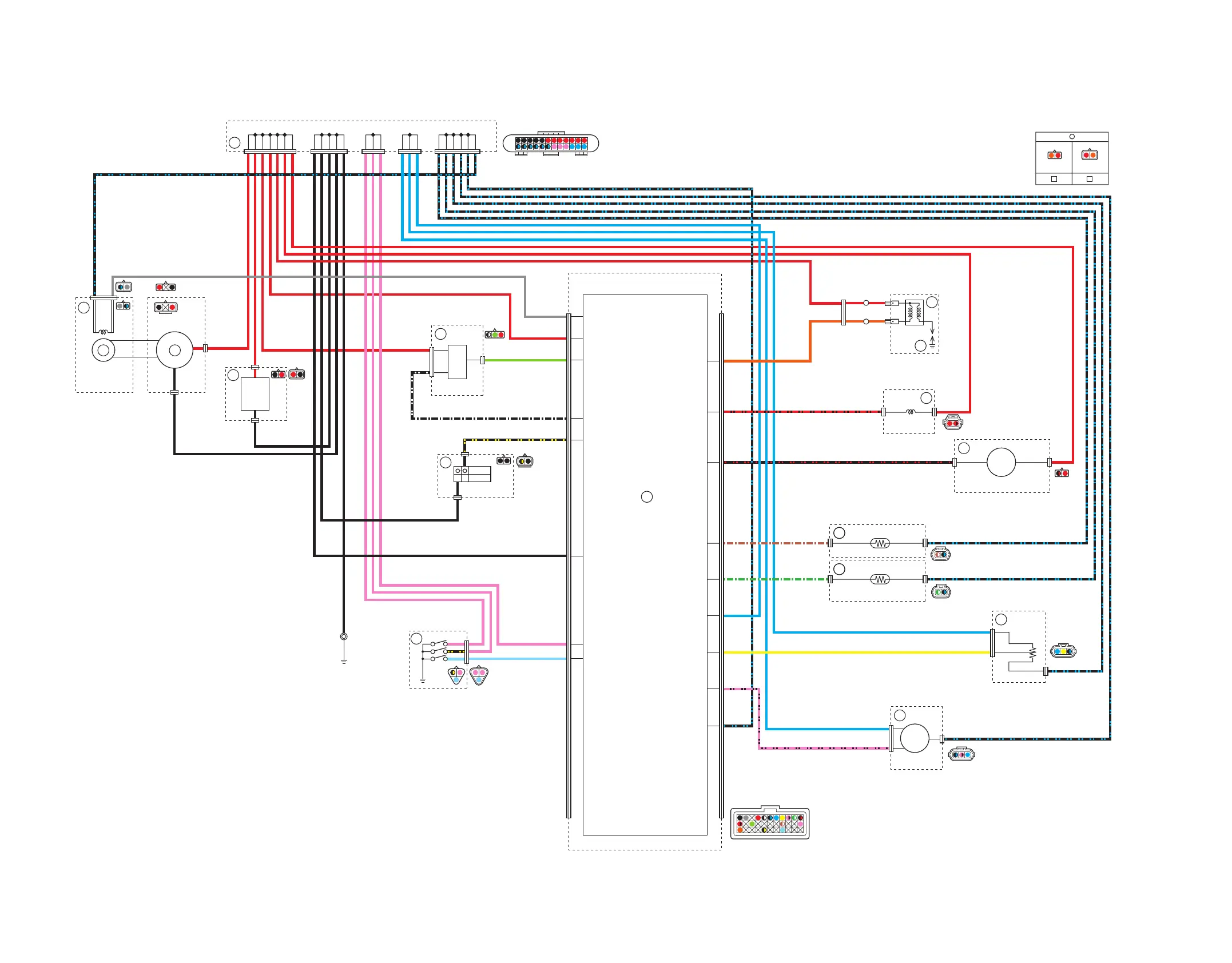
WIRING DIAGRAM
YZ250F (E) 2014
SCHÉMA DE CÂBLAGE
YZ250F (E) 2014
SCHALTPLAN
YZ250F (E) 2014
SCHEMA ELETTRICO
YZ250F (E) 2014
1SM-28199-30_W.D.indd 2 2013/09/03 11:24:21

Table of Contents