EasyManua.ls Logo

YASKAWA MP2300Siec - Page 59

YASKAWA MP2300Siec
116 pages
Print Icon
To Next Page IconTo Next Page
To Next Page IconTo Next Page
To Previous Page IconTo Previous Page
To Previous Page IconTo Previous Page
Loading...
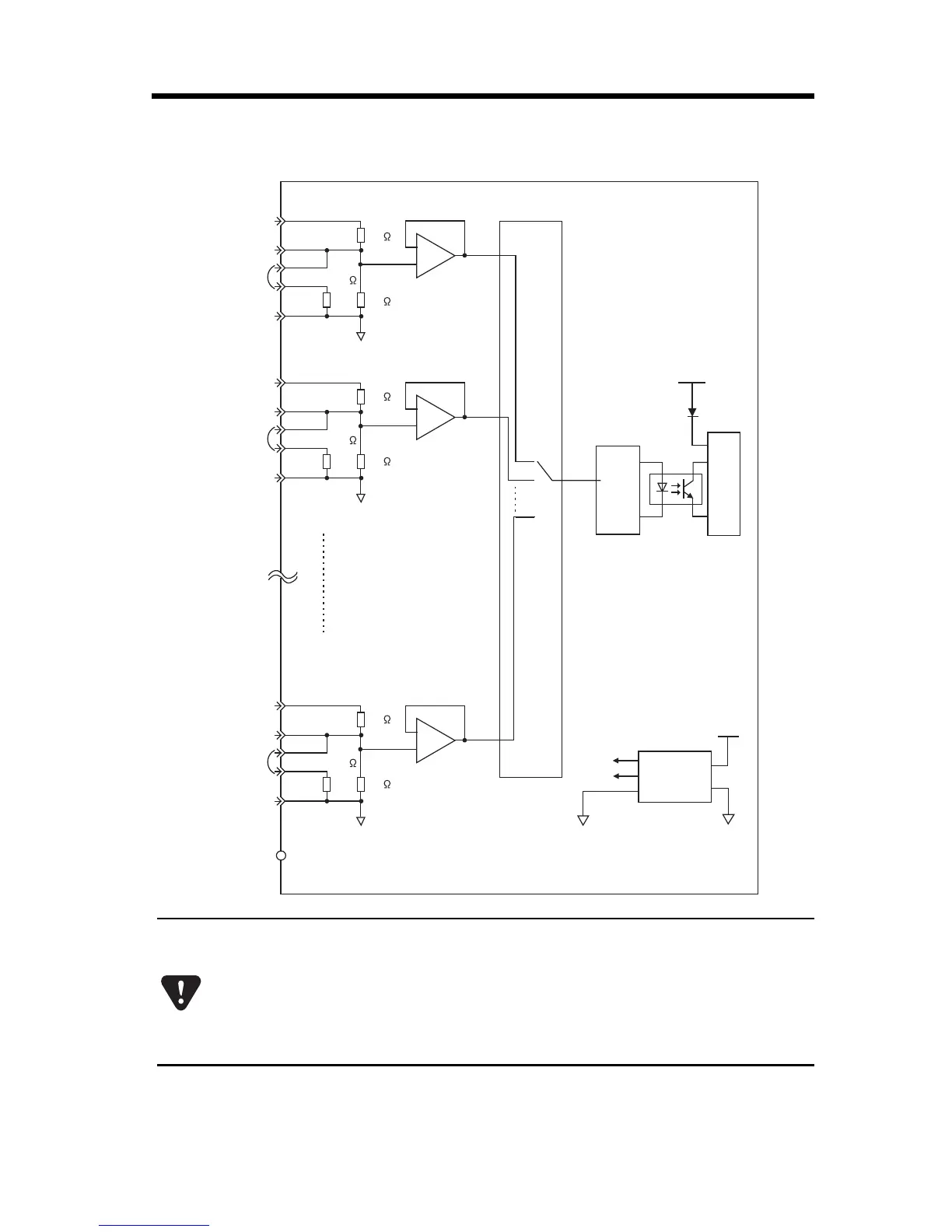
14.1 AI-01 (Analog Input) Module
14.1.10 CN1 Connector Connection Example
57
14.1.10 CN1 Connector Connection Example
Use the standard cable (JEPMC-W6080-) for AI-01 Modules to connect to
external devices. Use a relay terminal block to connect the AI-01 module to
external devices because the wiring distance varies between the AI-01 module
and each external device.
Ground the cable shield between an external device and the relay terminal
block on the external device side.
DC/DC
Converter
+5V
0V
+15V
-15V
0V
D/A
Converter
Internal circuit
+5V
Photocoupler
Voltage input
Current input
Mode
10
12
25
23
-
+
GND
CH8
11
Multiplexer
Ground
Voltage input
Current input
Mode
4
6
19
17
-
+
GND
CH2
5
Voltage input
Current input
Mode
Ground
1
3
16
14
2
-
+
GND
CH1
Ground
Shell
R R
R
RR
R
RR
R
10k
10k
256.5
10k
10k
256.5
10k
10k
256.5

Related product manuals