EasyManua.ls Logo

YASKAWA SGDV - Three-Phase 400 V, SGDV-170 D01 A Model; Three-Phase 400 V, SGDV-210 D01 A, -260 D01 A Models

YASKAWA SGDV
400 pages
Print Icon
To Next Page IconTo Next Page
To Next Page IconTo Next Page
To Previous Page IconTo Previous Page
To Previous Page IconTo Previous Page
Loading...
1.4 SERVOPACK Internal Block Diagrams
1-13
1
Outline
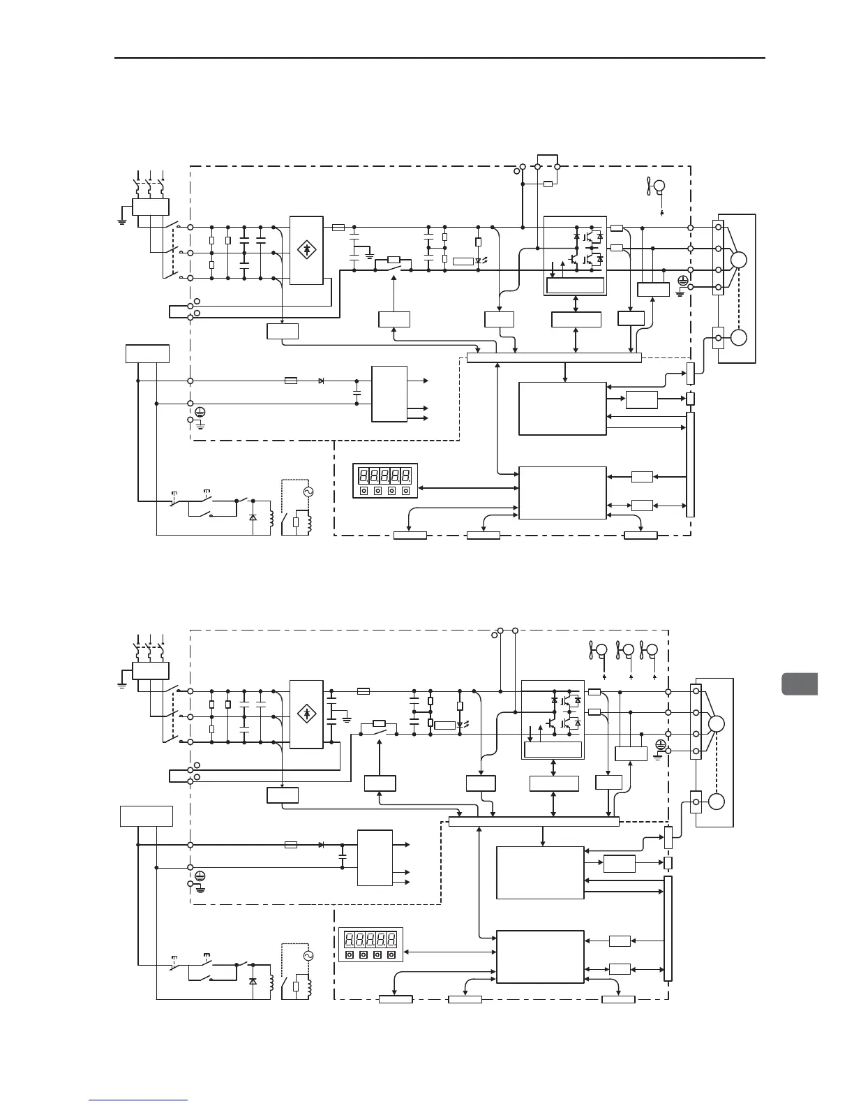
1.4.13 Three-phase 400 V, SGDV-170D01A Model
1.4.14 Three-phase 400 V, SGDV-210D01A, -260D01A Models
1KM
L1
B1/ B2 B3
L2
L3
1
2
+24V
0V
U
V
W
CN3
CN2
ENC
A/D
I/O
CN1
CN5
M
CHARGE
+
CN7 CN8
+15V × 4
2RY
2RY
1KM
1KM
+5V
±12V
+
+
Three-phase
380 to 480 V
(50/60 Hz)
+10%
15%
Current
sensor
Servomotor
Surge absorber
High speed
diode
Control power
supply (+24 V)
Noise
filter
Power
OFF
Power
ON
Open during
servo alarm
(1RY)
Gate
drive
Voltage
sensor
Voltage
sensor
Relay
drive
ASIC
(PWM control, etc.)
CPU
(Position/speed
calculation, etc.)
Panel operator
Digital operator
Encoder output
pulse
Analog monitor
output
Reference pulse
input
Speed/torque
reference input
I/O signal
Analog
voltage
converter
Personal
computer
Signal for safety fuction
+
AC power supply
(100 V/200 V)
Control
power
supply
Overheat protector,
overcurrent protector
Dynamic
brake circuit
Not included
±12 V
Fan
Varistor
1KM
L1
B1/ B2
L2
L3
1
2
+24V
0V
U
V
W
CN3
CN2
ENC
A/D
I/O
CN1
CN5
M
CHARGE
CN7 CN8
+15V × 4
2RY
2RY
1KM
1KM
r12V
+5V
+24 V +24 V +24 V
Three-phase
380 to 480 V
(50/60 Hz)
+10%
15%
Noise
filter
Current
sensor
Dynamic
brake circuit
High speed
diode
Power
OFF
Power
ON
Open during
servo alarm
(1RY)
Servomotor
Gate
drive
Voltage
sensor
Voltage
sensor
Varistor
Relay
drive
ASIC
(PWM control, etc.)
CPU
(Position/speed
calculation, etc.)
Panel operator
Digital operator
Encoder output
pulse
Analog monitor
output
Reference pulse
input
Speed/torque
reference input
I/O signal
Analog
voltage
converter
Personal
computer
Signal for safety fuction
Control
power
supply
Not included
Control power
supply (+24 V)
AC power
supply
(100 V/200 V)
Surge
absorber
Overheat protector
overcurrent protector
Fan1 Fan2 Fan3

Table of Contents

Related product manuals