EasyManua.ls Logo

ABB ACS320 - Connection Diagram Example

ABB ACS320
442 pages
Print Icon
To Next Page IconTo Next Page
To Next Page IconTo Next Page
To Previous Page IconTo Previous Page
To Previous Page IconTo Previous Page
Loading...
142 Program features
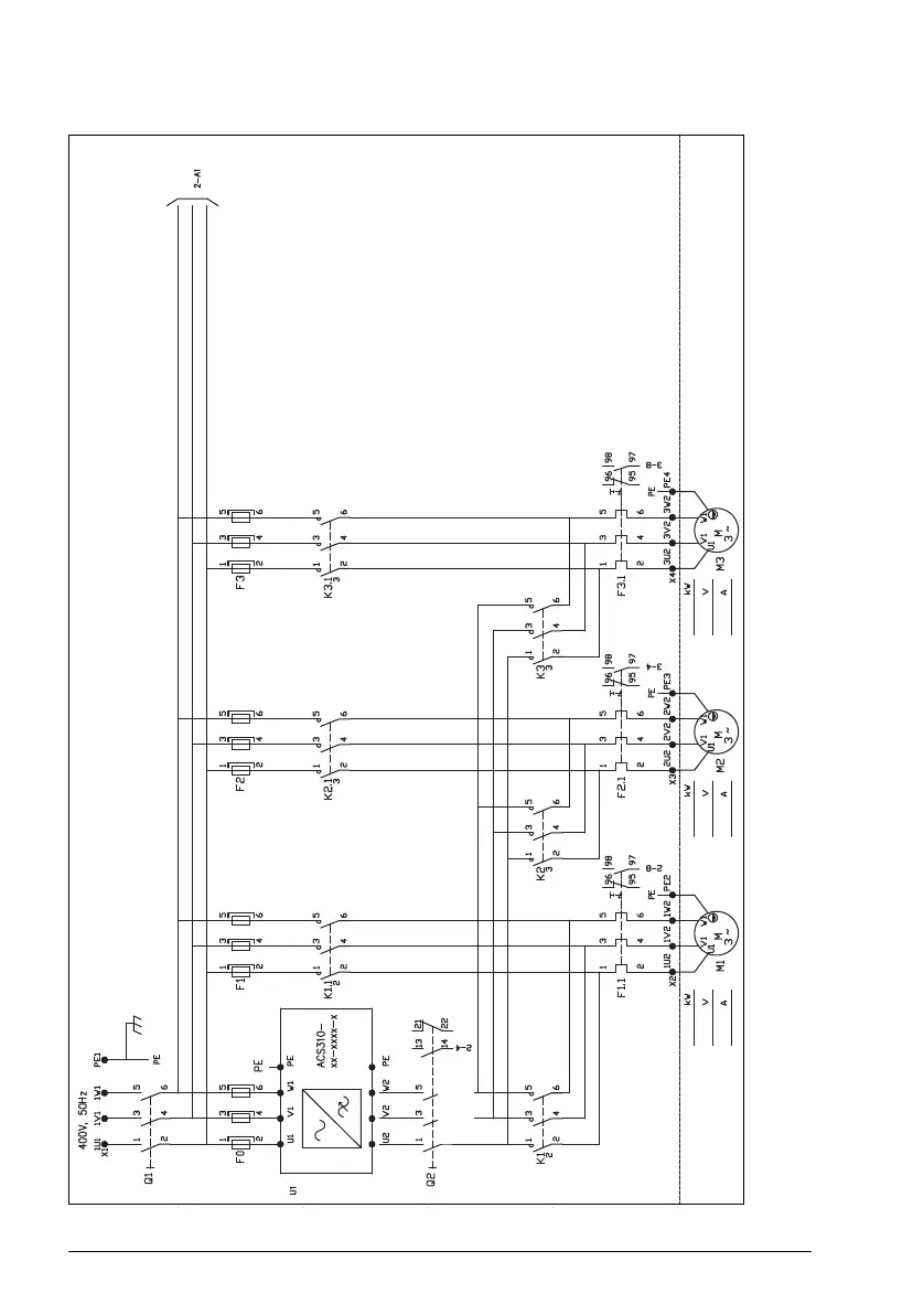
Connection diagram example
ACS320-
xx-xxxx-x

Table of Contents

Other manuals for ABB ACS320

Related product manuals