EasyManua.ls Logo

ABB RER620 - Page 242

ABB RER620
584 pages
Print Icon
To Next Page IconTo Next Page
To Next Page IconTo Next Page
To Previous Page IconTo Previous Page
To Previous Page IconTo Previous Page
Loading...
Section 4 1MAC309294-MB F
Protection functions
236 RER620
Technical Manual
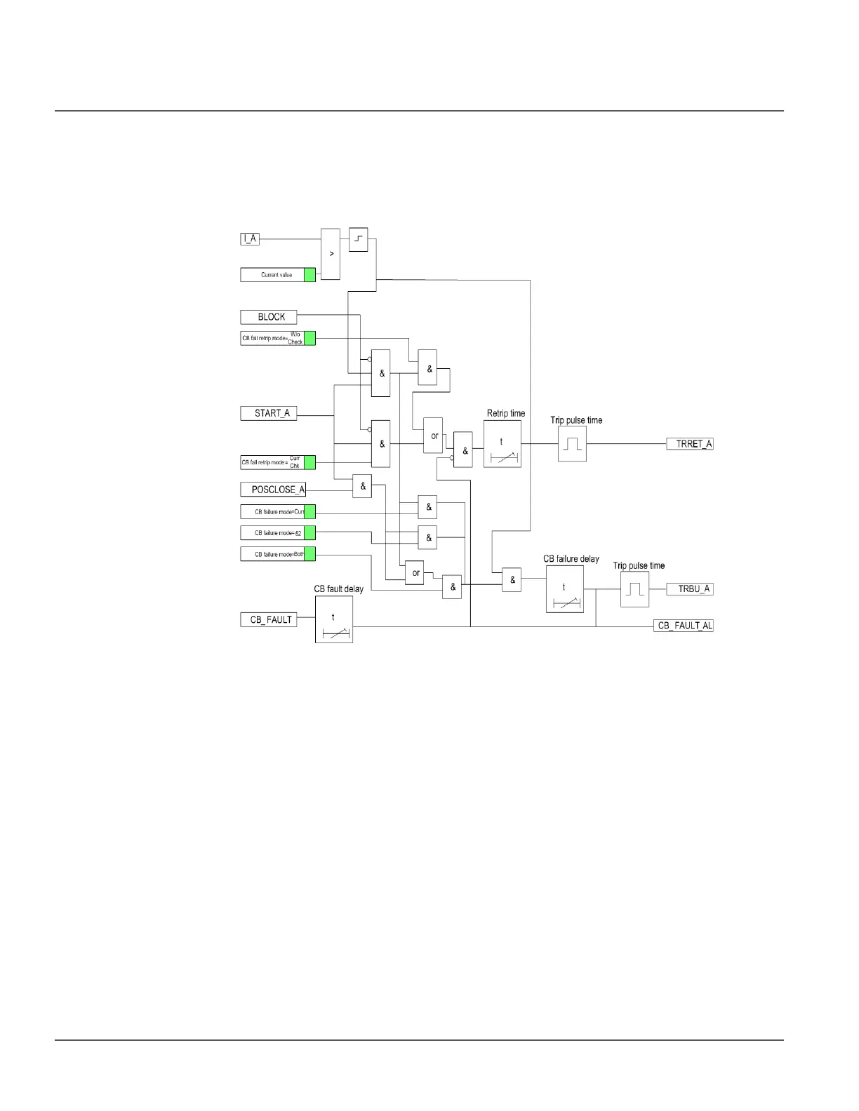
the blocks in the diagram are explained in the next sections. Also further information on
retrip and back-up trip logics is given in sub-module diagrams.
Figure 107: Functional module diagram, typical for Phase A when Single Phase
Operation mode is selected
Level detector
Current Value
In the above figure, the measured phase currents are compared phase-wise with the set
Current value. If the measured value exceeds the set Current value, the level detector
reports the exceeding of the value to the retrip and back-up trip logics. The parameter
should be set low enough so that situations with small fault current or high load current
can be detected. The setting can be chosen in accordance with the most sensitive protection
function to start the breaker failure protection.
When mode is selected for 3phase operation, the same setting Current Value is also used
to initiate 3 pole breaker fail trip initiation whenever the input START gets an initiation
gets energized. In this case the highest of the three phase currents are used to compare
against the set Current Value setting (See Figure below).

Table of Contents

Other manuals for ABB RER620

Related product manuals