EasyManua.ls Logo

ABB RER620 - Page 97

ABB RER620
584 pages
Print Icon
To Next Page IconTo Next Page
To Next Page IconTo Next Page
To Previous Page IconTo Previous Page
To Previous Page IconTo Previous Page
Loading...
1MAC309294-MB F Section 4
Protection functions
RER620 91
Technical Manual
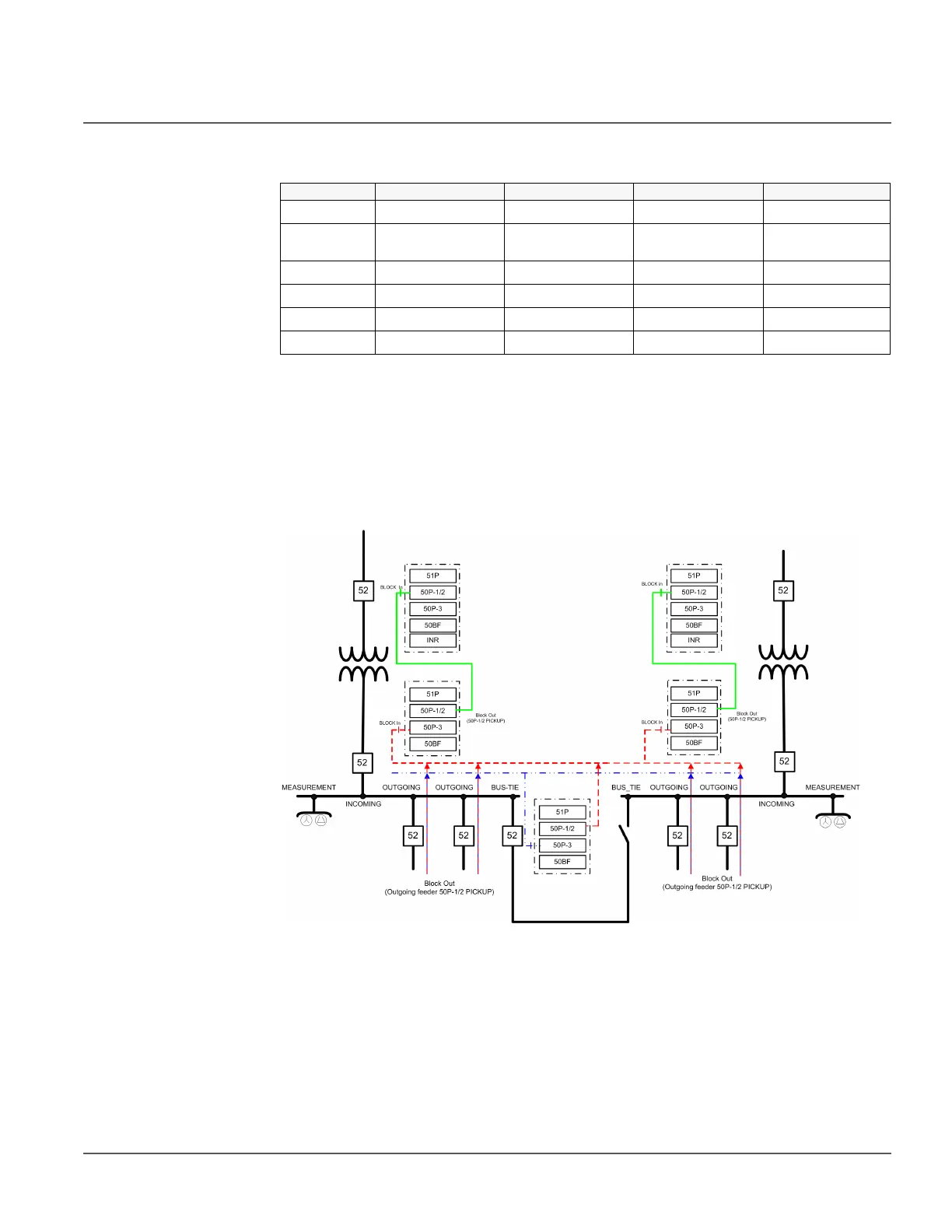
Table 105: Proposed functionality of numerical transformer and busbar overcurrent protection. DT = definite
time, IDMT = inverse definite minimum time
In case the bus-tie breaker is open, the operating time of the blockable overcurrent
protection is approximately 100 ms (relaying time). When the bus-tie breaker is closed,
that is, the fault current flows to the faulted section of the busbar from two directions, the
operation time becomes as follows: first the bus-tie relay unit trips the tie breaker in the
above 100 ms, which reduces the fault current to a half. After this the incoming feeder
relay unit of the faulted bus section trips the breaker in approximately 250 ms (relaying
time), which becomes the total fault clearing time in this case.
Figure 37: Numerical overcurrent protection functionality for a typical
sub-transmission/distribution substation (feeder protection not shown).
Blocking output = digital output signal from the start of a protection stage,
Blocking in = digital input signal to block the operation of a protection
stage
The operating times of the time selective stages are very short, because the grading
margins between successive protection stages can be kept short. This is mainly due to the
advanced measuring principle allowing a certain degree of CT saturation, good operating
accuracy and short retardation times of the numerical units. So, for example, a grading
O/C-stage Operating char. Selectivity mode Operation speed Sensitivity
HV/51P DT/IDMT time selective low very high
HV/50P-1/2 DT blockable/time
selective
high/low high
HV/50P-3 DT current selective very high low
LV/51P DT/IDMT time selective low very high
LV/50P-1/2 DT time selective low high
LV/50P-3 DT blockable high high

Table of Contents

Other manuals for ABB RER620

Related product manuals