EasyManua.ls Logo

Adria caravan - Electrical Diagram 12 V: ASTELLA-ALPINA; Electrical Diagram 12 V: AVIVA-ALTEA-ACTION-ADORA

Adria caravan
179 pages
Print Icon
To Next Page IconTo Next Page
To Next Page IconTo Next Page
To Previous Page IconTo Previous Page
To Previous Page IconTo Previous Page
Loading...
GB
Power supply
10
84 Adria Caravans
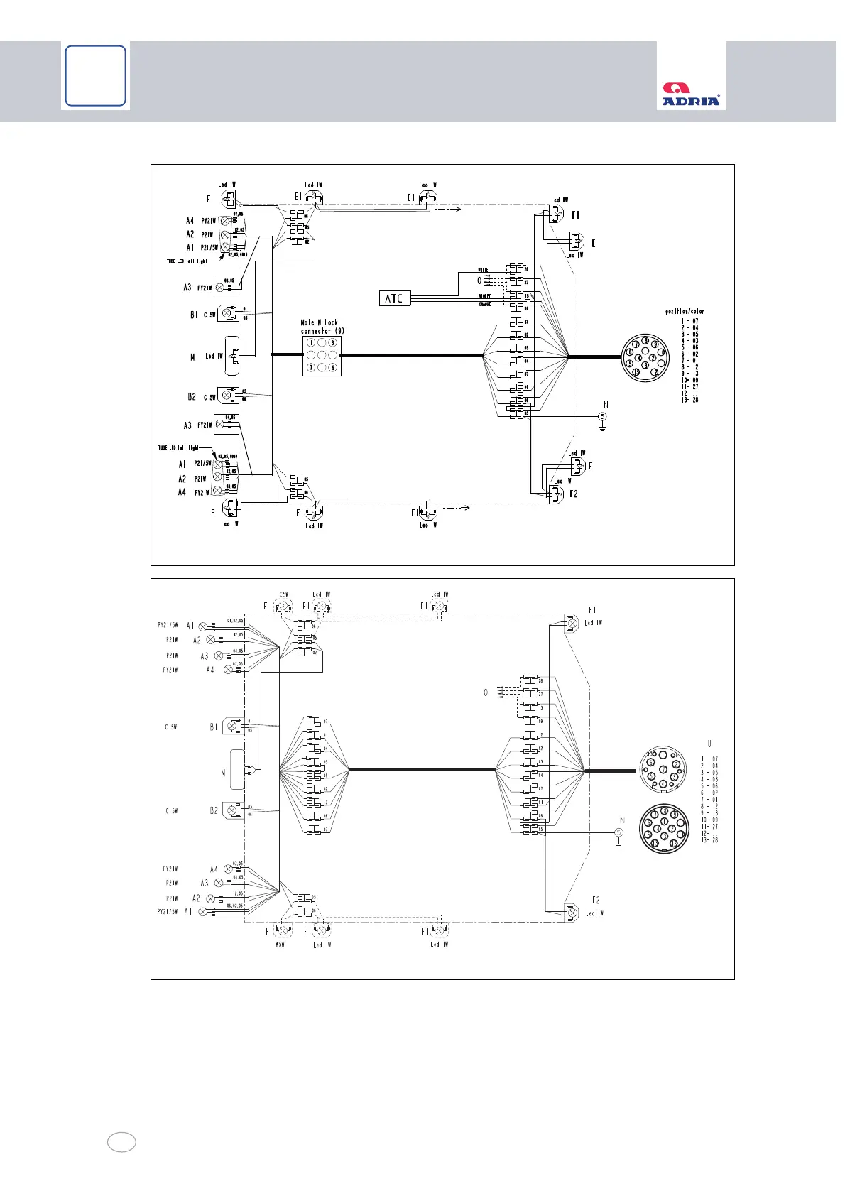
Fig. 63 Electrical diagram 12 V: ASTELLA-ALPINA
Fig. 64 Electrical diagram 12 V: AVIVA-ALTEA-ACTION-ADORA
10100109
10100042

Table of Contents

Related product manuals