EasyManua.ls Logo

Adria caravan - Electrical Diagram 12 V Appliances: AVIVA-ALTEA

Adria caravan
179 pages
Print Icon
To Next Page IconTo Next Page
To Next Page IconTo Next Page
To Previous Page IconTo Previous Page
To Previous Page IconTo Previous Page
Loading...
GB
Power supply 10
Adria Caravans 85
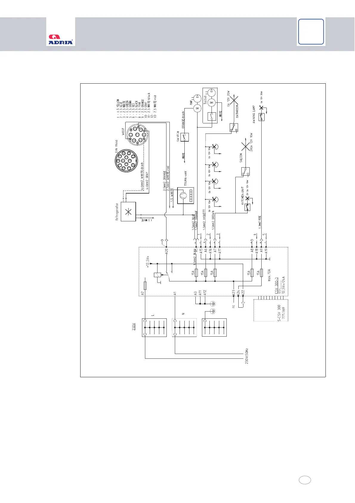
10.8 Electrical diagrams, voltage supply
Fig. 65 Electrical diagram 12 V appliances: AVIVA-ALTEA
10100046

Table of Contents

Related product manuals