EasyManua.ls Logo

Beechcraft Baron 58 - Page 8

Beechcraft Baron 58
514 pages
Print Icon
To Next Page IconTo Next Page
To Next Page IconTo Next Page
To Previous Page IconTo Previous Page
To Previous Page IconTo Previous Page
Loading...
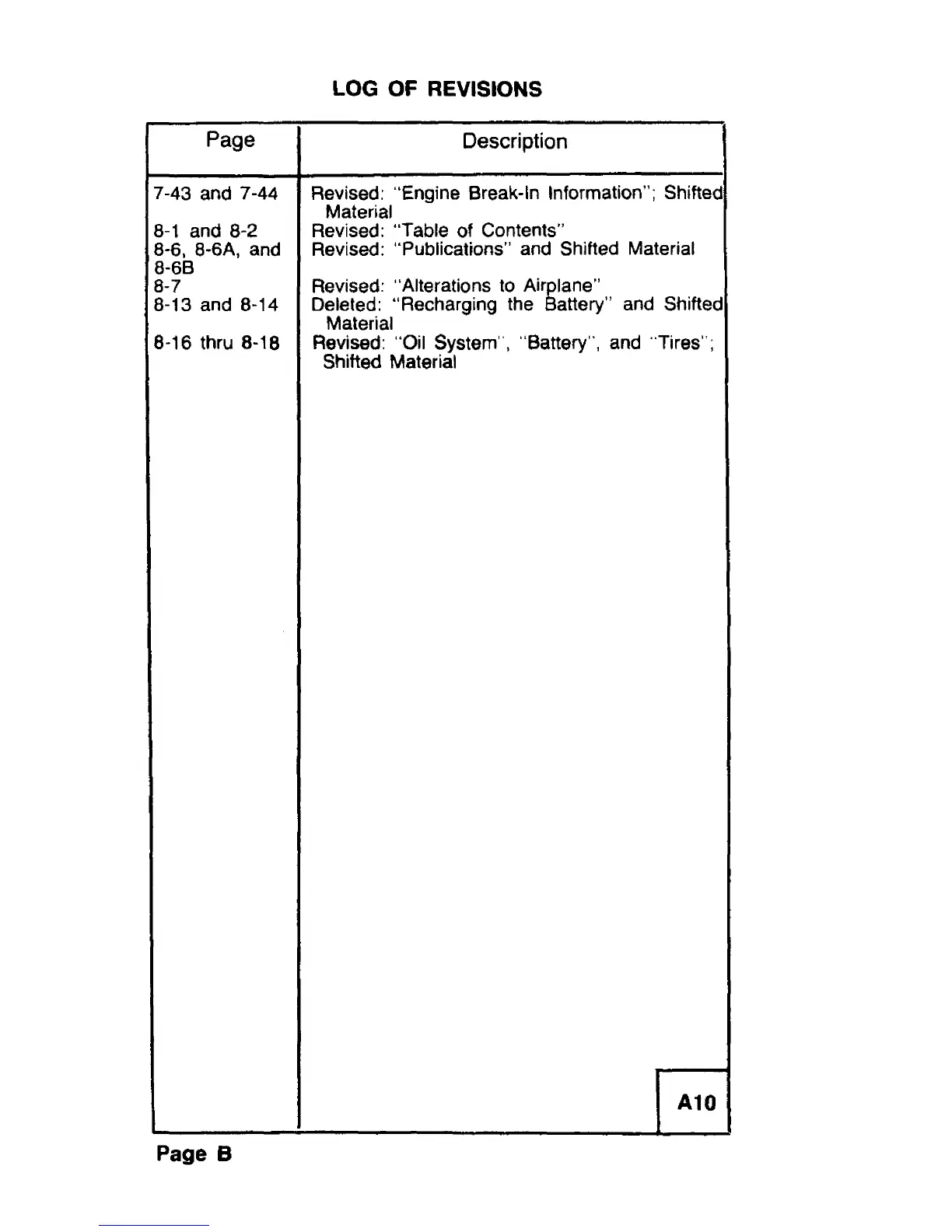
LOG OF REVISIONS
Page
Description
7-43 and 7-44
Revised: "Engine Break-In Information"; Shifted
Material
8-1 and 8-2
Revised: "Table of Contents"
8-6. 8-6A, and
Revised: "Publlcancns" and Shifted Material
8-68
8-7
Revised: "Alterations to Airplane"
8-13 and
8-14
Deleted: "Recharging the Battery" and Shifted
Material
8-16 thru 8-18
Revised: "Oil System", "Battery", and "Tires";
Shifted Material
I
Al0
Page B

Table of Contents

Related product manuals