EasyManua.ls Logo

Burkert 8692 - Start-up and Operation of Position Controller Type 8692

Burkert 8692
195 pages
Print Icon
To Next Page IconTo Next Page
To Next Page IconTo Next Page
To Previous Page IconTo Previous Page
To Previous Page IconTo Previous Page
Loading...
50
Type 8692, 8693
english
Installation
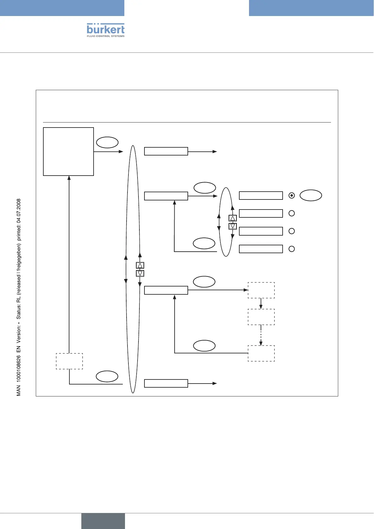
6.3.3 Overview of Operating Structure Initial Start-up
Operating state
AUTOMATIC
or
MANUAL
MENU
ACTUATOR
INPUT
X.TUNE
ADD.FUNCTION
SAVE
EEPROM
SELEC
4-20 mA
EXIT
ENTER
approx. 3s
RUN
approx. 5s
X.TUNE
STARTED
TUNE
#0INIT
X.TUNE
READY
EXIT
0-20 mA
0-10 V
0- 5 V
EXIT
Main menu
MAIN
Selection menu
(ACTUATOR, INPUT, ...)
Operate process Configuration
Operating mode of the actua-
tor preset at the factory
not required for the initial start-up
Selection of the input signal
Self-parameterization
Fig. 6: Operating structure - Initial Start-up

Table of Contents

Other manuals for Burkert 8692

Related product manuals