EasyManua.ls Logo

BYD PMW20 - Page 86

BYD PMW20
104 pages
Print Icon
To Next Page IconTo Next Page
To Next Page IconTo Next Page
To Previous Page IconTo Previous Page
To Previous Page IconTo Previous Page
Loading...
PMW20
171
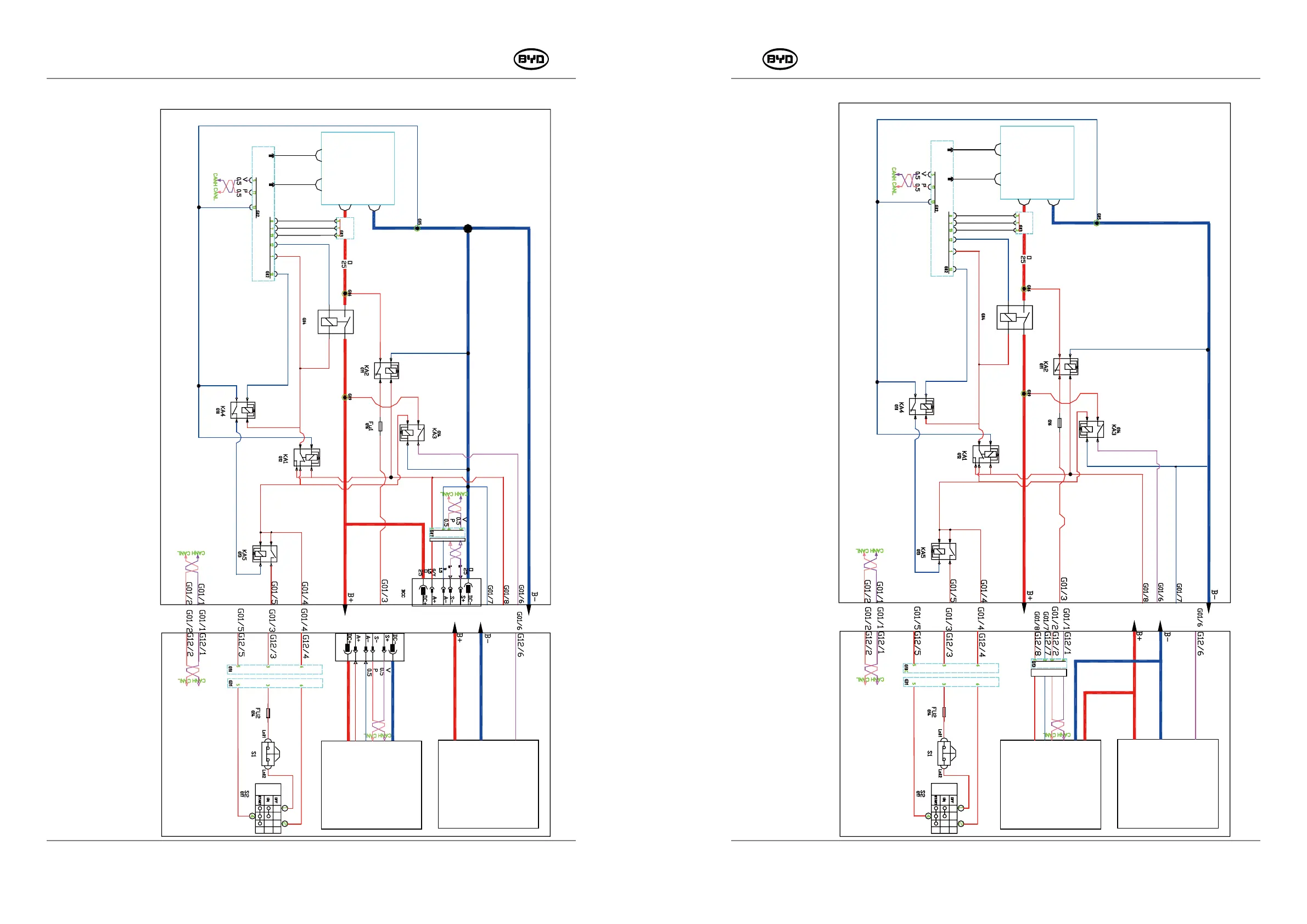
8.9.1.3 On-board Charging
Internal Battery
Charger or Entire Forklift
+15V
-15V
KM1
Entire
Forklift
System
Forklift
-mounted
Charger
B+
PMW20
170
8.9.1.2 National Standard Port Charging
Internal Battery Charger or Entire Forklift
+15V
-15V
KM1
Recharge Socket
B+
SM-PMW202020001-EN
SM-PMW202020001-EN
B-
Battery
Backup
Unit
Hall Current
Current
Hall
Signal
Voltage
Sampling
Temperature
Sampling
Power Manager A BMS1
Charging-discharging Contactor
Charging Relay
Positive Current Fuse 15A
Sleep-mode Relay
Relay of the Power Manager
Ignition Relay
Controller Relay
Ignition Switch Fuse
Emergency Stop Switch
Ignition Switch
B-
Battery
Backup
Unit
Hall Current
Current
Hall
Signal
Voltage
Sampling
Temperature
Sampling
Charging-discharging Contactor
Power Manager $%06
Sleep-mode Relay
Charging Relay
Positive Current Fuse $
Controller Relay
Relay of the Power Manager
Ignition Relay
Ignition Switch Fuse
Emergency Stop Switch
Ignition Switch
Charger
Entire
Forklift
System

Table of Contents

Related product manuals