EasyManua.ls Logo

ChargePoint CT4000 - Wire Dual or Single Port Stations

ChargePoint CT4000
40 pages
Print Icon
To Next Page IconTo Next Page
To Next Page IconTo Next Page
To Previous Page IconTo Previous Page
To Previous Page IconTo Previous Page
Loading...
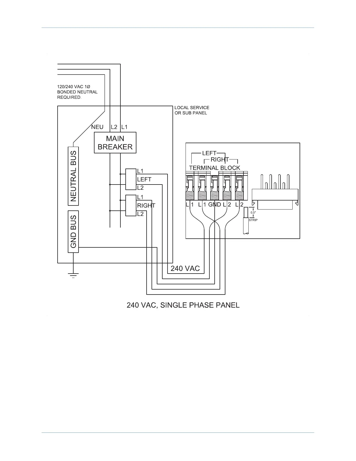
Connect Wiring
21

Related product manuals